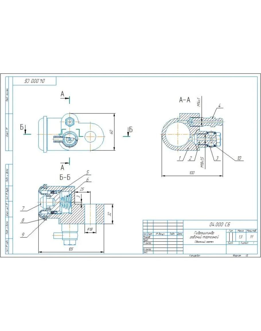
Сборочный чертеж, спецификация, 3D модель сборки 04.000 гидроцилиндр рабочий тормозной из альбома по деталированию Аксарина.
Также приложены 3D модели и рабочие чертежи следующих деталей:
04.001 корпус;
04.002 штуцер;
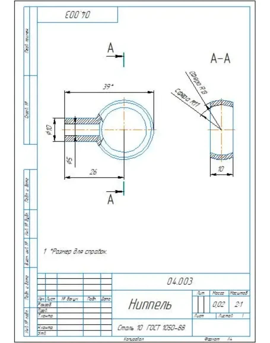
04.003 ниппель;
04.004 клапан спускной;
04.005 поршень;
04.006 пружина;
04.007 вилка;
04.008 колпак защитный;
04.009 манжета;
04.010 шайба.
Чертежи и модели выполнены в программе Компас 3D.
Также приложены 3D модели и рабочие чертежи следующих деталей:
04.001 корпус;
04.002 штуцер;
04.003 ниппель;
04.004 клапан спускной;
04.005 поршень;
04.006 пружина;
04.007 вилка;
04.008 колпак защитный;
04.009 манжета;
04.010 шайба.
Чертежи и модели выполнены в программе Компас 3D.
04.000 гидроцилиндр рабочий тормозной - чертежи, модели
- Продавец: alexey_ktop
- Модель: 5470291
- Наличие: Есть в наличии
-
468р.















