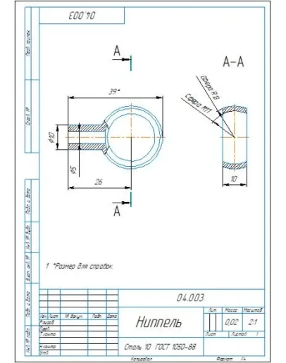
Рабочий чертеж и 3D модель детали ниппель 04.003 из сборки 04.000 гидроцилиндр рабочий тормозной из сборника по деталированию Аксарина. Чертеж и модель выполнены в программе Компас 3D
04.003 ниппель - чертеж и 3D модель детали
- Продавец: alexey_ktop
- Модель: 5470209
- Наличие: Есть в наличии
-
115р.





