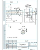
3D модель сборки 14.000 пневмораспределитель из альбома по деталированию Аксарина.
Также приложены 3D модели и рабочие чертежи следующих деталей:
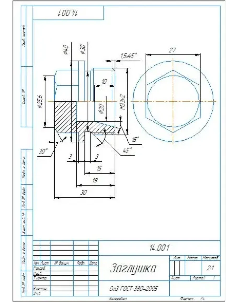
14.001 заглушка;
14.005 корпус;
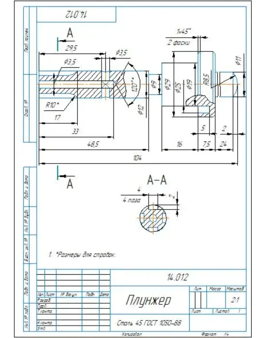
14.012 плунжер.
Только 3D модели следующих деталей:
14.002 кольцо уплотнительное;
14.003 пружина клапана;
14.004 клапан;
14.006 манжета;
14.007 втулка;
14.008 шайба;
14.009 гайка;
14.010 пружина плунжера;
14.011 гайка.
Чертежи и модели выполнены в программе Компас 3D.
Также приложены 3D модели и рабочие чертежи следующих деталей:
14.001 заглушка;
14.005 корпус;
14.012 плунжер.
Только 3D модели следующих деталей:
14.002 кольцо уплотнительное;
14.003 пружина клапана;
14.004 клапан;
14.006 манжета;
14.007 втулка;
14.008 шайба;
14.009 гайка;
14.010 пружина плунжера;
14.011 гайка.
Чертежи и модели выполнены в программе Компас 3D.
14.000 пневмораспределитель - 3D модели, чертежи
- Продавец: alexey_ktop
- Модель: 5450518
- Наличие: Есть в наличии
-
319р.















