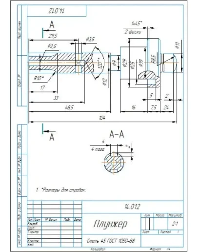
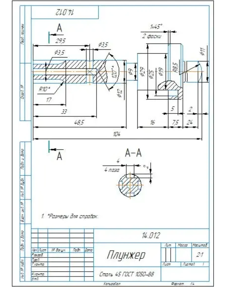
Рабочий чертеж и 3D модель детали плунжер 14.012 из сборки 14.000 пневмораспределитель из альбома по деталированию Аксарина. Чертеж и модель выполнены в программе Компас 3D
14.012 плунжер - чертеж и 3D модель детали
- Продавец: alexey_ktop
- Модель: 5450036
- Наличие: Есть в наличии
-
164р.





