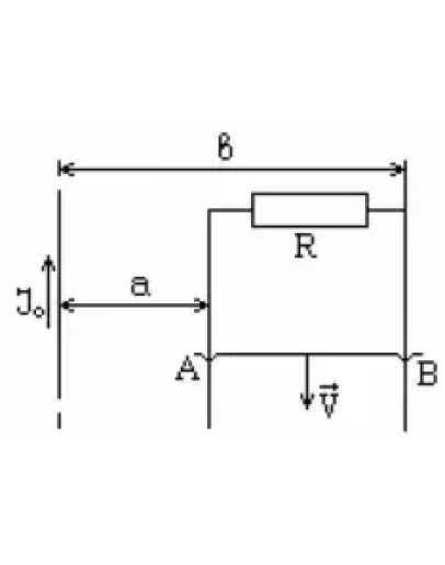
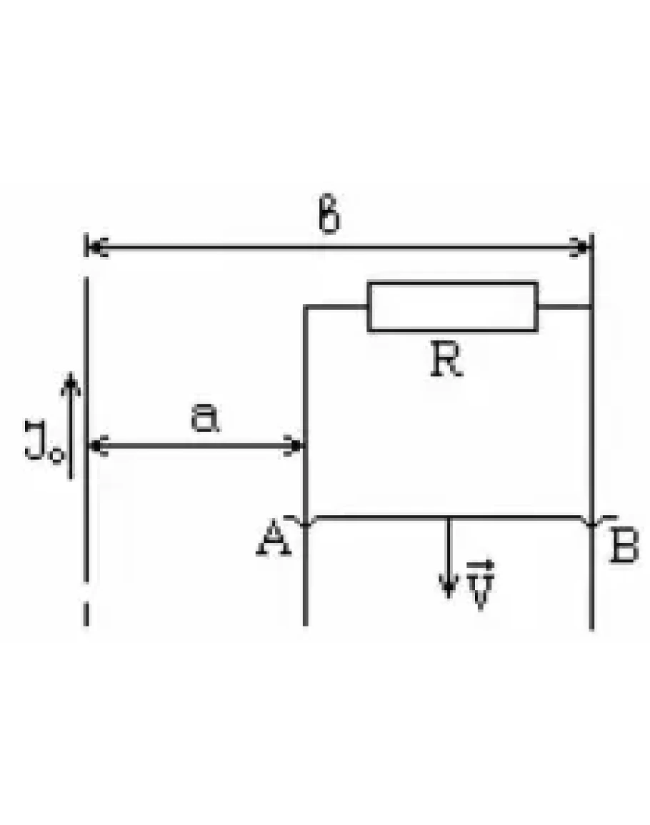
20. Имеется длинный прямой проводник с током I0. На расстояниях а и b от него (см. рис.) расположены два параллельных ему провода, замкнутых на одном конце сопротивлением R. По проводам без трения перемещают с постоянной скоростью V стержень-перемычку АВ. Пренебрегая сопротивлением проводов, стержня и скользящих контактов, найти значение и направление индукционного тока в стержне.




