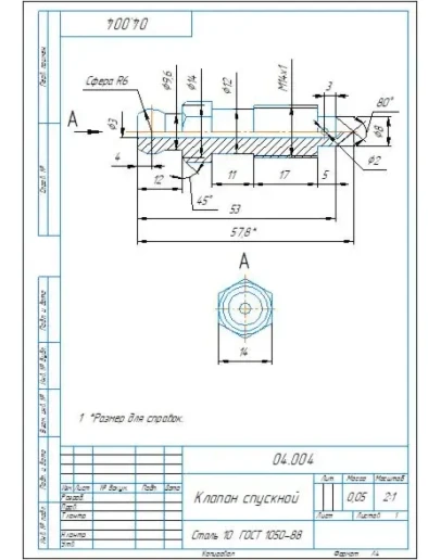
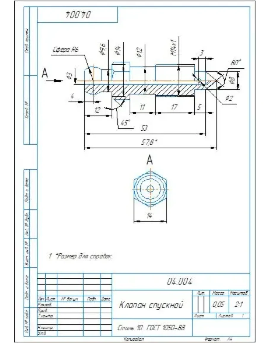
Рабочий чертеж и 3D модель детали клапан спускной 04.004 из сборки 04.000 гидроцилиндр рабочий тормозной из сборника по деталированию Аксарина. Чертеж и модель выполнены в программе Компас 3D
04.004 клапан спускной - чертеж и 3D модель
- Продавец: alexey_ktop
- Модель: 5469942
- Наличие: Есть в наличии
-
124р.





