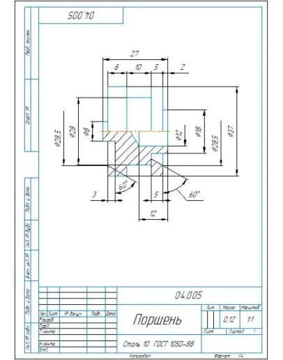
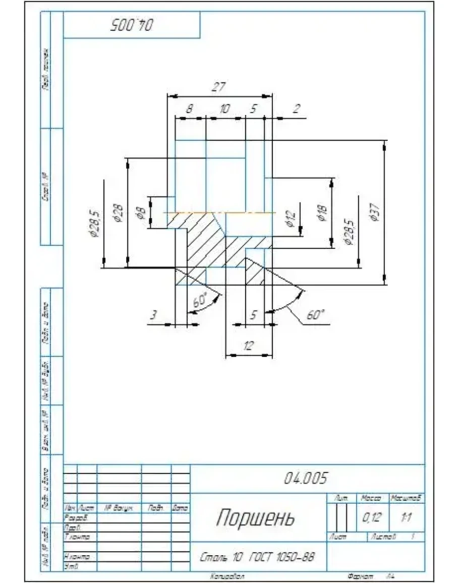
Рабочий чертеж и 3D модель детали поршень 04.005 из сборки 04.000 гидроцилиндр рабочий тормозной из сборника по деталированию Аксарина. Чертеж и модель выполнены в программе Компас 3D
04.005 поршень - чертеж и 3D модель детали
- Продавец: alexey_ktop
- Модель: 5470216
- Наличие: Есть в наличии
-
104р.





