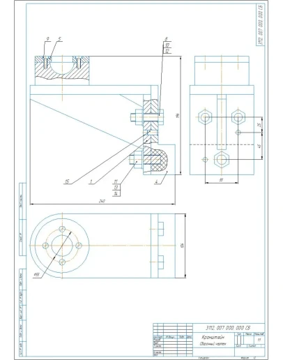
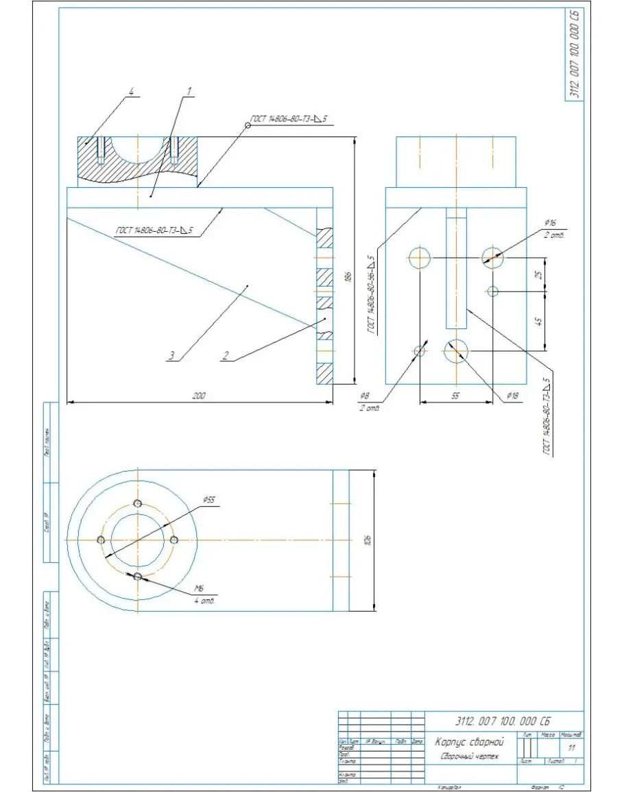
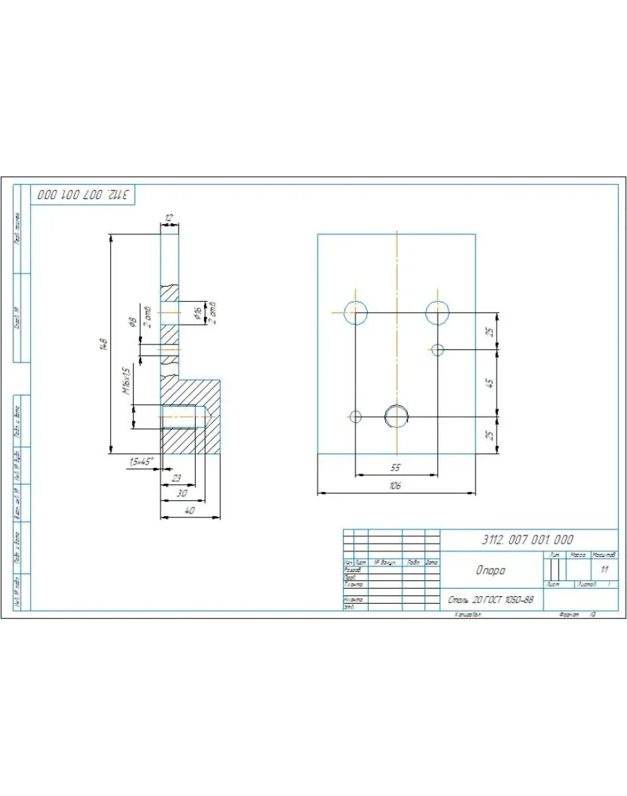
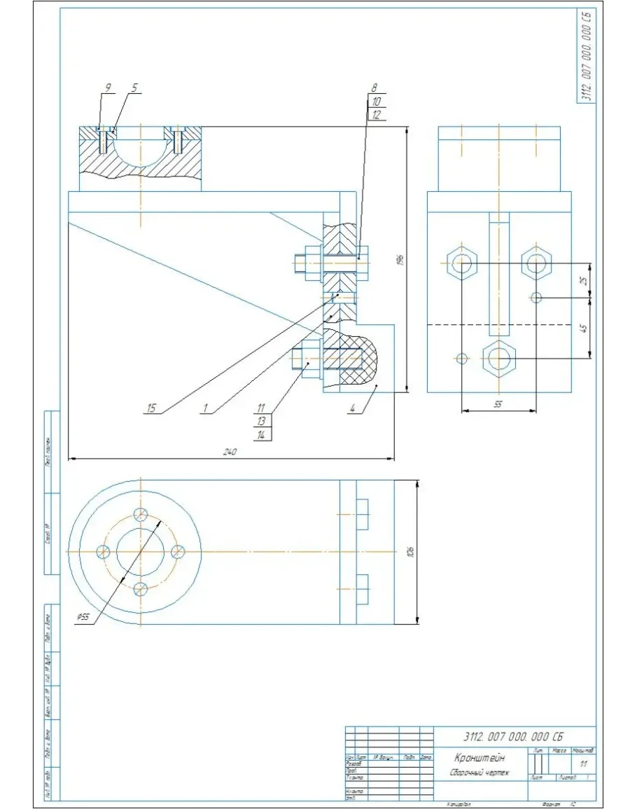
Сборочный чертеж и спецификация кронштейна 3112. 007 000. 000, сборочный чертеж и спецификация сварной сборочной единицы, чертежи деталей крышка и опора, пояснительная записка с расчетами. Чертежи, спецификации, записка выполнены в компасе
3112. 007 000. 000 кронштейн - чертежи
- Продавец: alexey_ktop
- Модель: 5403314
- Наличие: Есть в наличии
-
281р.














