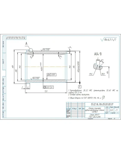
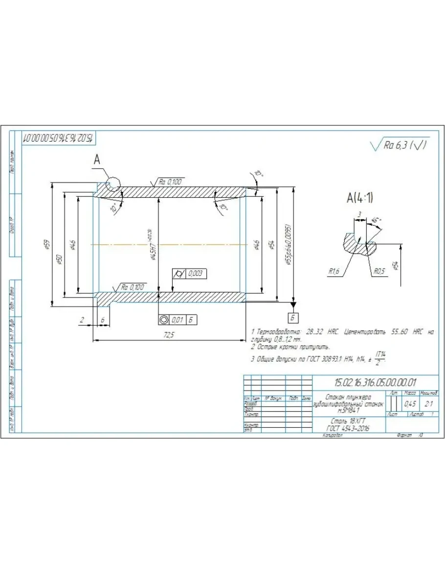
Рабочий чертеж и 3D модель детали стакан плунжера 15.02.16.316.05.00.01 (зубошлифовальный станок м.5М841)
Чертеж, 3D модель стакан плунжера 15.02.16.316.05.00.01
- Продавец: alexey_ktop
- Модель: 5328228
- Наличие: Есть в наличии
-
160р.





