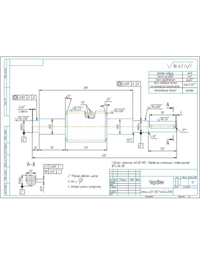
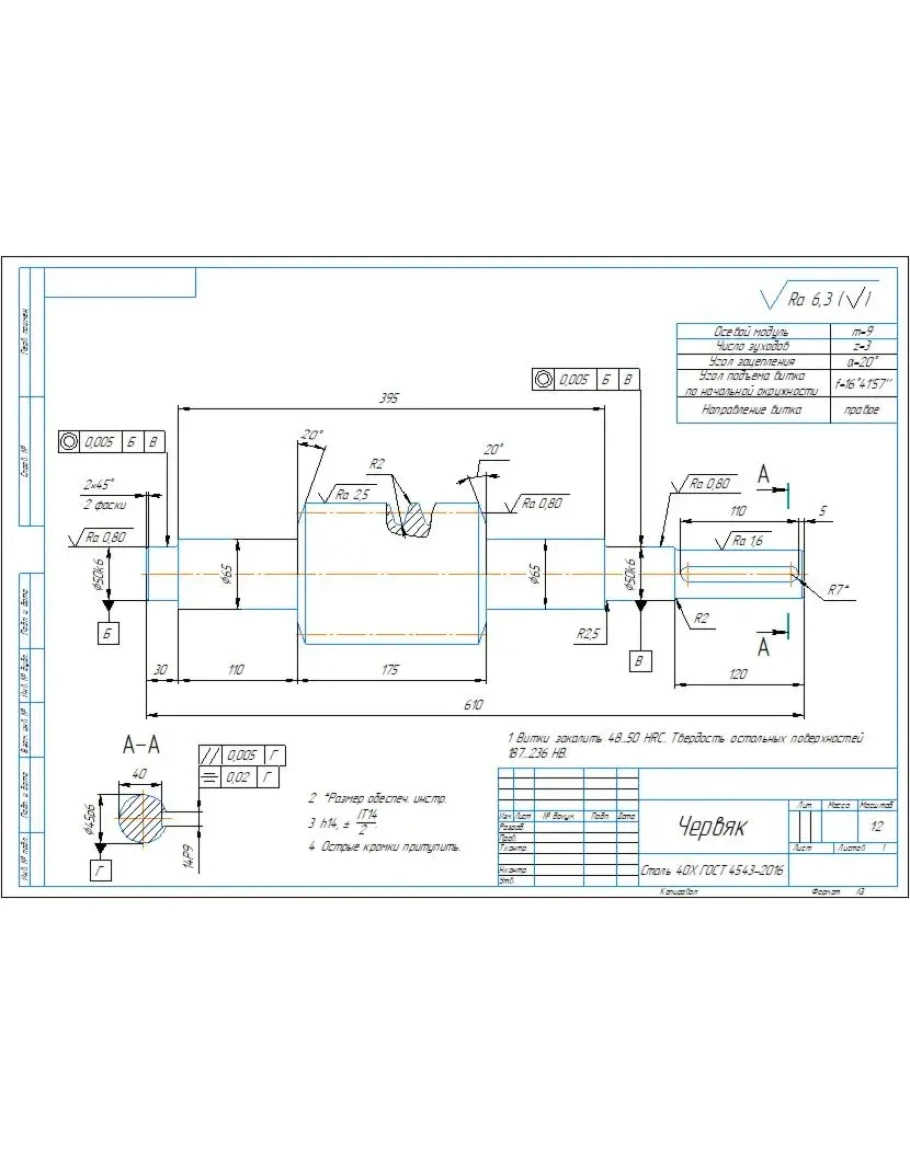
Рабочий чертеж детали червяк цилиндрический с параметрами: модуль m=9 мм, число заходов червяка z=3. Чертеж выполнен в компасе
Чертеж червяк цилиндрический m9 z3 в компас 3D
- Продавец: alexey_ktop
- Модель: 5345341
- Наличие: Есть в наличии
-
137р.




