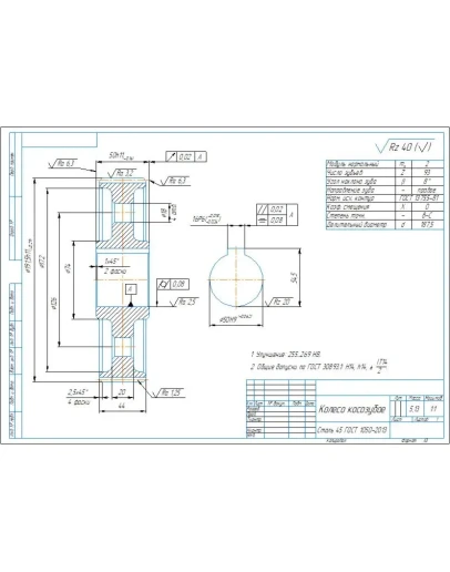
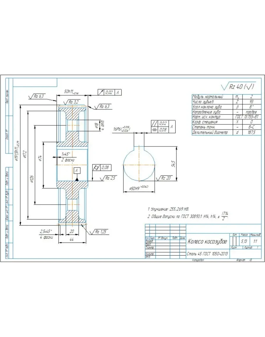
Рабочий чертеж детали колесо зубчатое косозубое в программе компас. Параметры зубчатого венца: m=2 мм, z=93 шт.
Чертеж детали колесо косозубое m2 z93 в компасе
- Продавец: alexey_ktop
- Модель: 5308055
- Наличие: Есть в наличии
-
146р.




