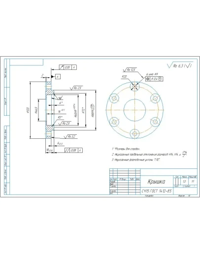
Рабочий чертеж детали крышка подшипника привертная сквозная с наружным диаметром подшипника 85 мм. Чертеж выполнен в компасе.
Чертеж детали крышка подшипника сквозная d85 мм
- Продавец: alexey_ktop
- Модель: 5345318
- Наличие: Есть в наличии
-
118р.




