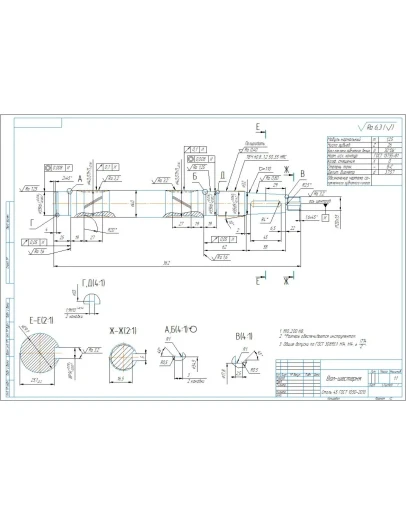
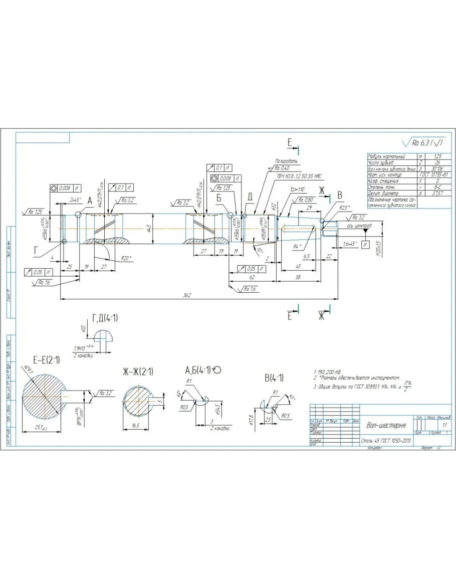
Рабочий чертеж детали вал-шестерня косозубая с параметрами зубчатого венца: модуль m=1,25 мм, число зубьев z=26 шт., угол наклона зуба 30 градусов 06 минут. Чертеж выполнен в компасе.
Чертеж детали вал-шестерня косозубая, m1,25 z26
- Продавец: alexey_ktop
- Модель: 5347972
- Наличие: Есть в наличии
-
150р.




