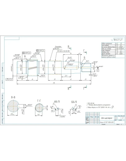
Рабочий чертеж детали вал-шестерня косозубая с параметрами зубчатого венца: модуль m=1,5 мм, число зубьев z=24 шт., угол наклона зуба 12 градусов 49 минут. Чертеж выполнен в компасе.
Чертеж детали вал-шестерня косозубая, m1,5 z24
- Продавец: alexey_ktop
- Модель: 5347944
- Наличие: Есть в наличии
-
133р.




