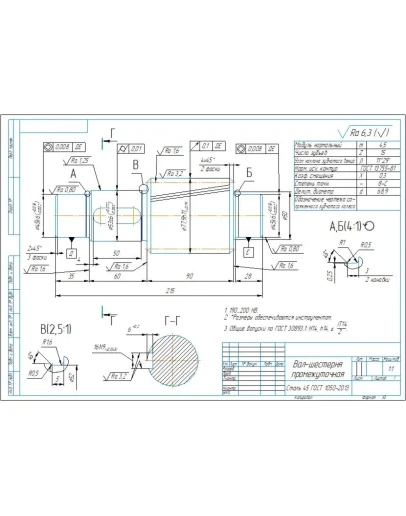
Рабочий чертеж детали вал-шестерня косозубая с параметрами зубчатого венца: модуль m=4,5 мм, число зубьев z=15 шт., угол наклона зуба 11 градусов 29 минут. Чертеж выполнен в компасе.
Чертеж детали вал-шестерня косозубая, m4,5 z15
- Продавец: alexey_ktop
- Модель: 5347967
- Наличие: Есть в наличии
-
150р.




