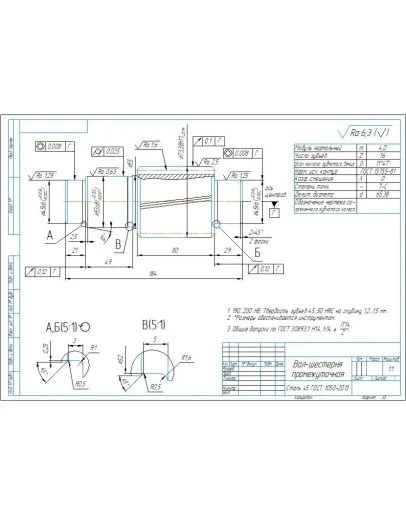
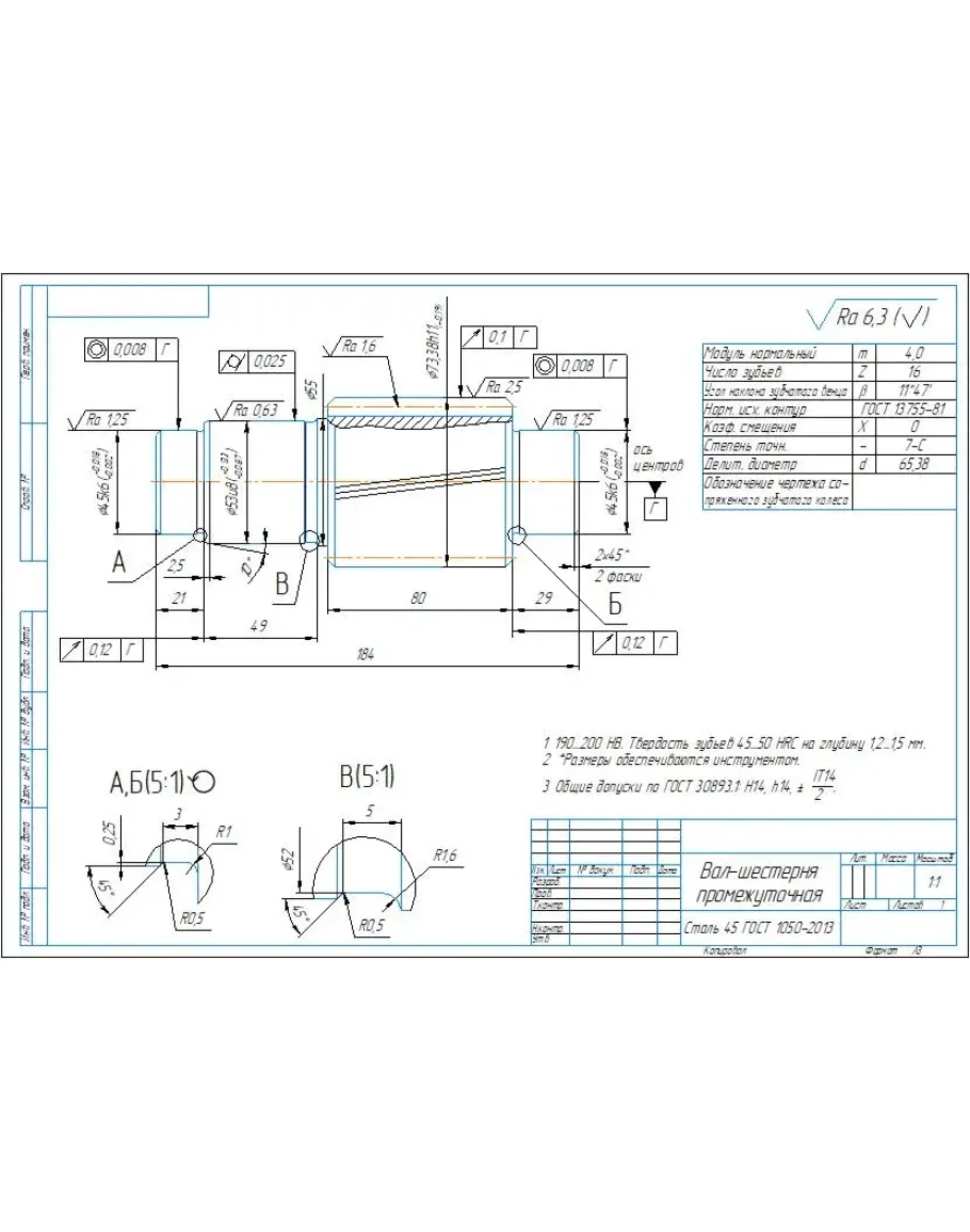
Рабочий чертеж детали вал-шестерня косозубая с параметрами зубчатого венца: модуль m=4 мм, число зубьев z=16 шт., угол наклона зуба 11 градусов 47 минут. Чертеж выполнен в компасе.
Чертеж детали вал-шестерня косозубая, m4 z16
- Продавец: alexey_ktop
- Модель: 5348490
- Наличие: Есть в наличии
-
133р.




