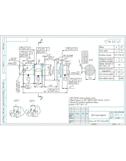
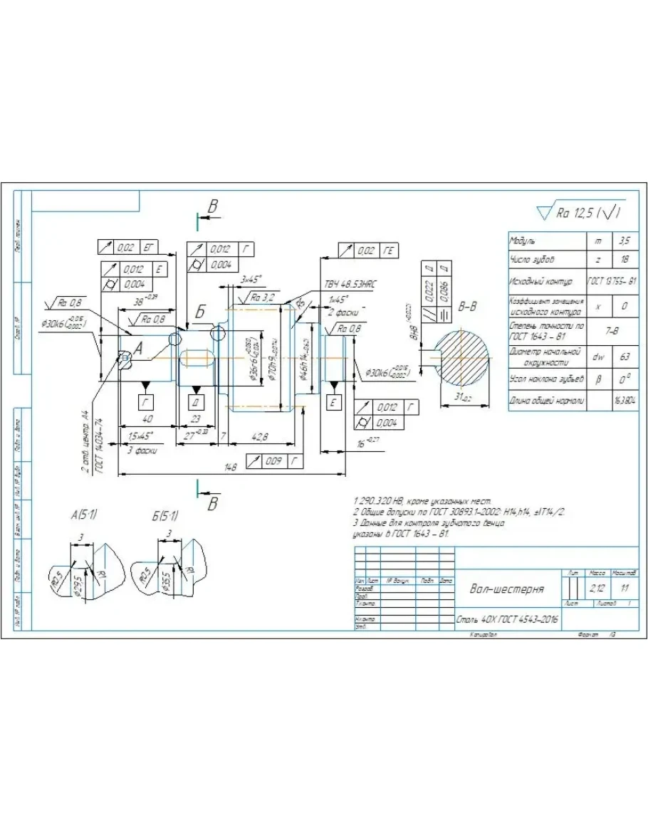
Рабочий чертеж детали вал-шестерня цилиндрическая с параметрами m=3,5 мм; z=18 шт. Чертеж выполнен в компасе.
Чертеж детали вал-шестерня m3,5 мм z18 шт. в компасе
- Продавец: alexey_ktop
- Модель: 5302075
- Наличие: Есть в наличии
-
128р.




