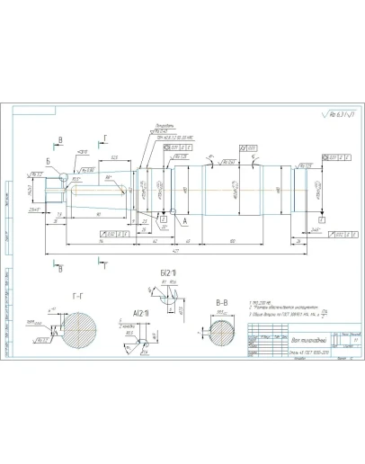
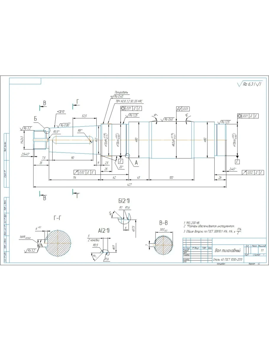
Рабочий чертеж детали вал тихоходный редуктора с посадочным диаметром под подшипники качения - 70 мм. Чертеж выполнен в компасе
Чертеж детали вал тихоходный редуктора в компасе d70
- Продавец: alexey_ktop
- Модель: 5347975
- Наличие: Есть в наличии
-
140р.




