Steamurai
Перейти в каталог
Категории
Главная
Товары
Акции
Контакты
О нас
Продавец
alexey_ktop
Чертеж и 3D модель детали шестерня m3 z50
Описание
Отзывов (0)
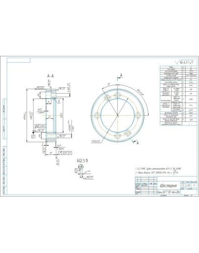
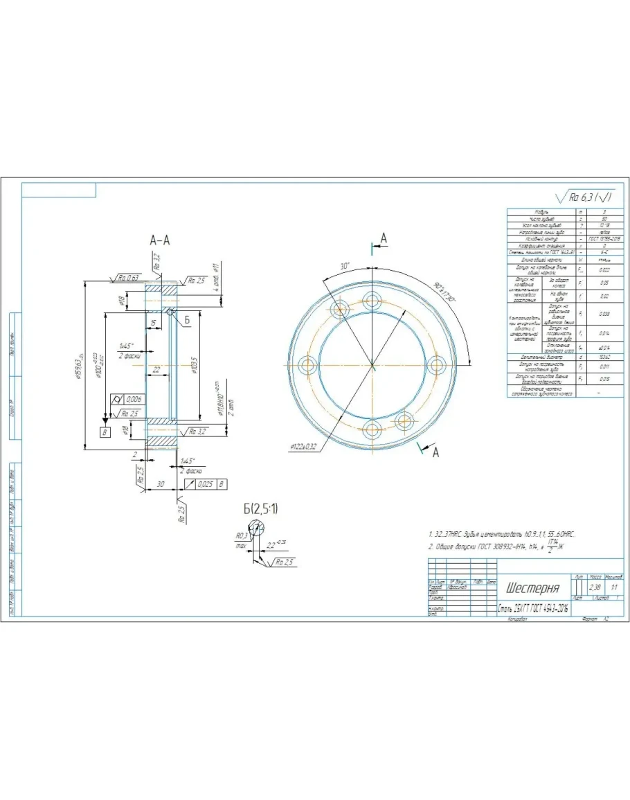
Рабочий чертеж и 3D модель детали шестерня с параметрами зубчатого венца: m=3 мм; z=50 шт.
Написать отзыв
Ваше имя:
Ваш отзыв:
Примечание:
HTML разметка не поддерживается! Используйте обычный текст.
Оценка:
Плохо
Хорошо
Продолжить
Чертеж и 3D модель детали шестерня m3 z50
Продавец:
alexey_ktop
Модель: 5311736
Наличие: Есть в наличии
192р.
Купить
0 отзывов
/
Написать отзыв
Рекомендуемые
🔵BATTLEFIELD 6 PS5 ВЫБОР РЕГИОНА БЫСТРО!🎁
5699р.
Купить
✅MORTAL KOMBAT 1 KHAOS REIGNS EXPANSION❤️XBOX🔑КЛЮЧ✅
1344р.
Купить
✅ Marvel's Spider-Man 2 - STEAM КЛЮЧ 🔑 СНГ (Без РФ)
3360р.
Купить
・Hogwarts Legacy + 450 игр + ПОДАРОК・ПК・НА ВАШ АККАУНТ・
99р.
Купить