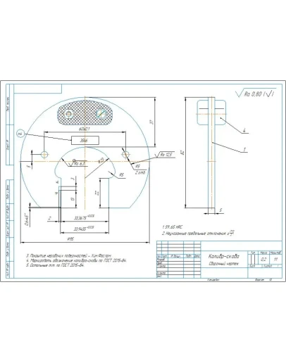
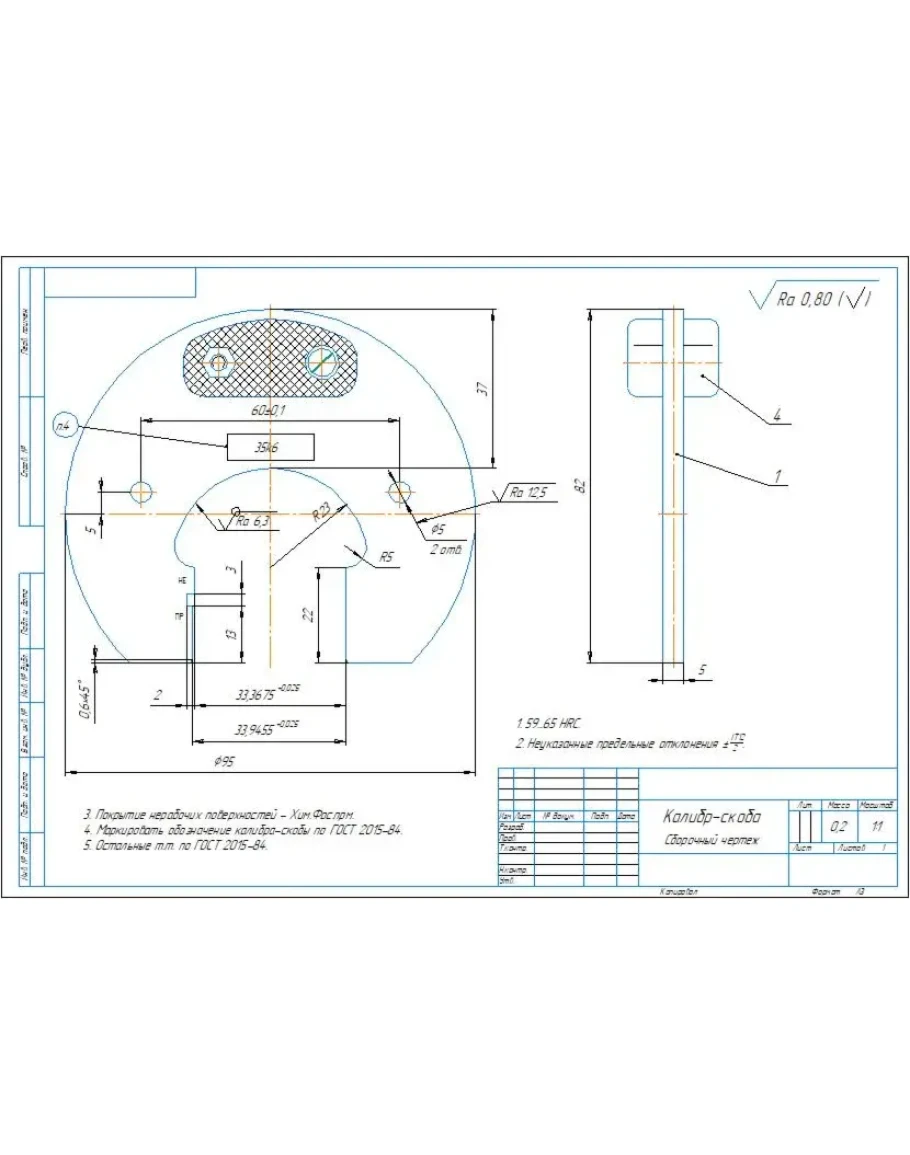
Сборочный чертеж и спецификация на калибр-скобу гладкую для контроля размера 34h14 мм. Также приведен расчет предельных размеров скобы в ворде. Чертеж и спецификация выполнены в компасе.
Чертеж калибр-скоба гладкая для размера 34h14 в компасе
- Продавец: alexey_ktop
- Модель: 5301750
- Наличие: Есть в наличии
-
160р.






