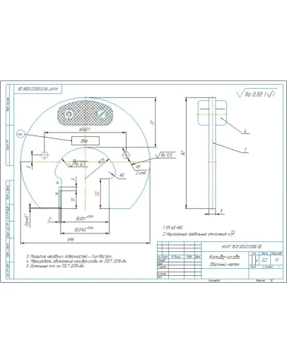
Чертеж калибра-скобы гладкого для контроля вала размером 35k6 в программе Компас 3D. Также приложены расчеты размеров калибра-скобы и схема расположения полей допусков калибра. Расчеты выполнены в Word, схема в Компас 3D.
Чертеж калибр-скоба гладкий 35k6 в Компас 3D
- Продавец: alexey_ktop
- Модель: 5355783
- Наличие: Есть в наличии
-
137р.






