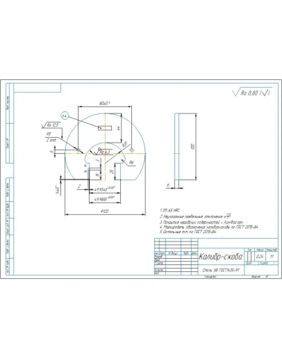
Чертеж и расчеты калибр-скобы гладкой для контроля вала размером 50h9. Чертеж выполнен в компасе, расчеты в ворде.
Чертеж калибр-скоба гладкий для вала 50h9 в компасе
- Продавец: alexey_ktop
- Модель: 5328203
- Наличие: Есть в наличии
-
137р.





