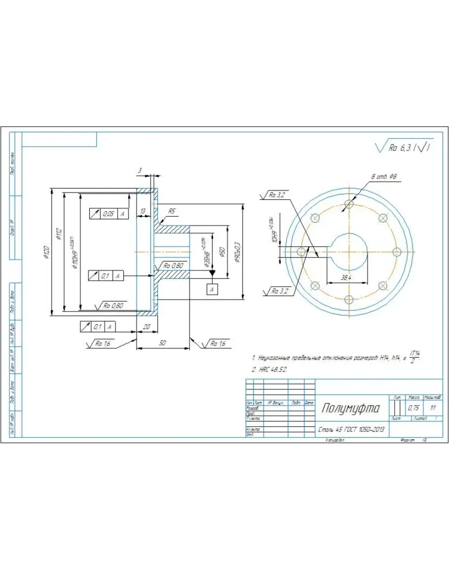
Сборочный чертеж и спецификация на кондуктор скальчатый сверлильный для обработки отверстий в детали полумуфта. Рабочий чертеж детали полумуфта также приложен. Чертежи и спецификация выполнены в компасе.
Чертеж кондуктор скальчатый сверлильный в компасе
- Продавец: alexey_ktop
- Модель: 5286502
- Наличие: Есть в наличии
-
337р.







