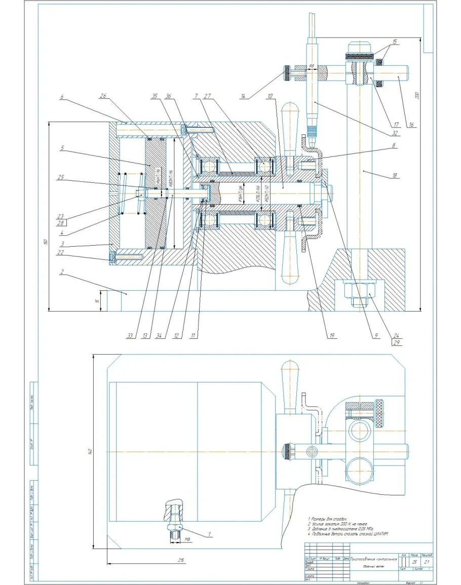
Сборочный чертеж и спецификация контрольно-измерительного приспособления (КИП) для контроля радиального биения в детали. Приспособление с автоматическим зажимом детали благодаря пневмоприводу
Чертеж контрольно-измерительное приспособление биение
- Продавец: alexey_ktop
- Модель: 5293702
- Наличие: Есть в наличии
-
328р.






