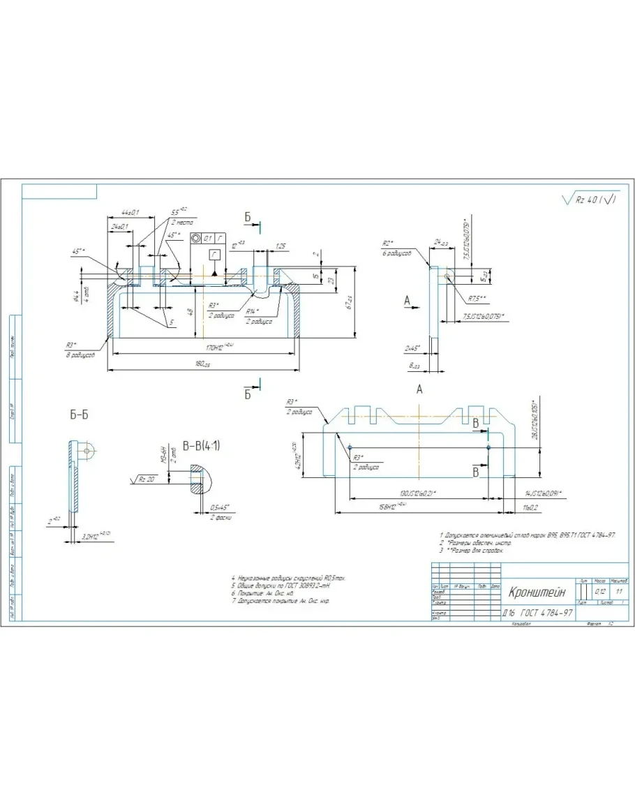
Сборочный чертеж и спецификация контрольно-измерительного приспособления (КИП) для контроля размера детали кронштейн. Приспособление построено на базе индукционных датчиков. Также приложен рабочий чертеж детали кронштейн. Чертежи выполнены в компасе.
Чертеж контрольно-измерительного приспособления
- Продавец: alexey_ktop
- Модель: 4652667
- Наличие: Есть в наличии
-
438р.





