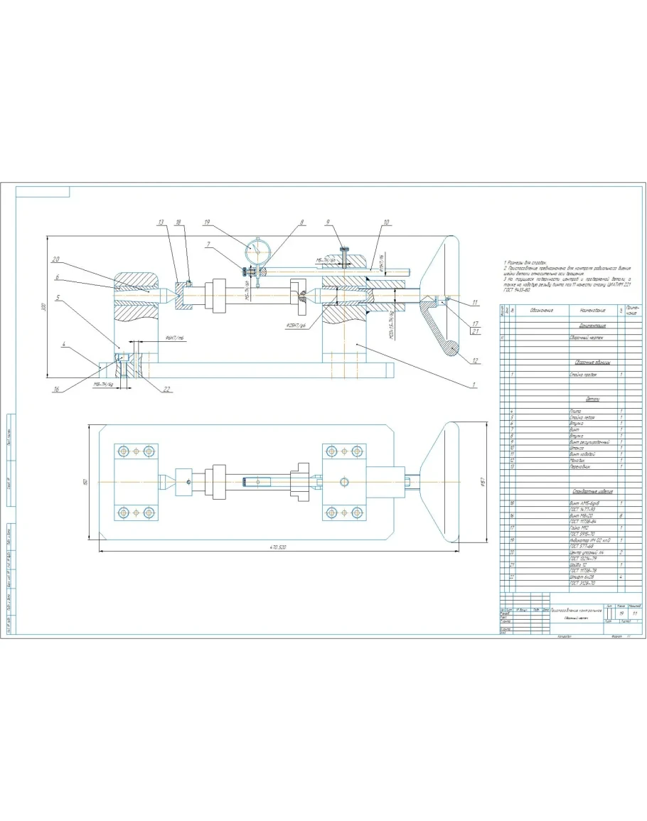
Сборочный чертеж со спецификацией на контрольно-измерительное приспособление (КИП) для контроля радиального биения у детали типа вал. Чертеж выполнен в компасе.
Чертеж контрольное приспособление для биение вала
- Продавец: alexey_ktop
- Модель: 5302029
- Наличие: Есть в наличии
-
266р.




