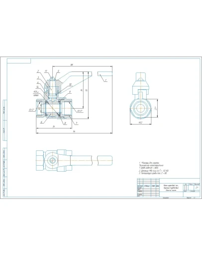
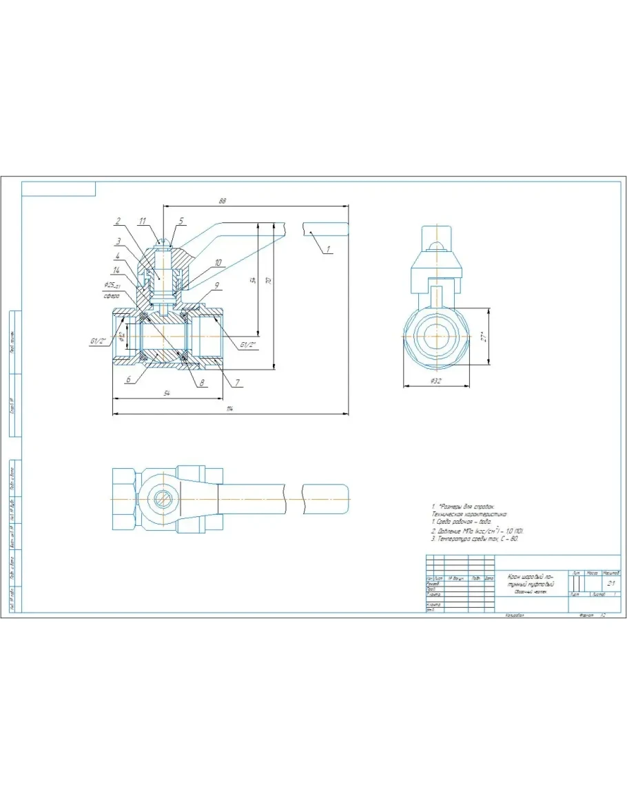
Сборочный чертеж и спецификация крана шарового муфтового условным диаметром DN15. Чертеж и спецификация выполнены в компасе
Чертеж кран шаровый муфтовый DN15
- Продавец: alexey_ktop
- Модель: 5359509
- Наличие: Есть в наличии
-
222р.





