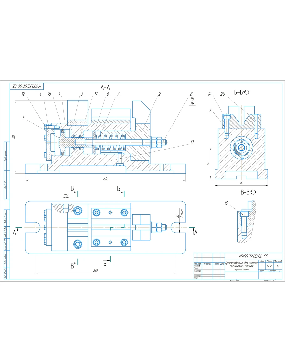
3D-модели, чертежи деталей, сборочный чертеж и спецификация в Компасе v.16 задания из учебника Боголюбова: МЧ00.32.00.00 Приспособление для нарезки сегментных шпонок.
Чертеж МЧ00.32.00.00 приспособление для нарезки шпонок
- Продавец: alexey_ktop
- Модель: 3977599
- Наличие: Есть в наличии
-
460р.





