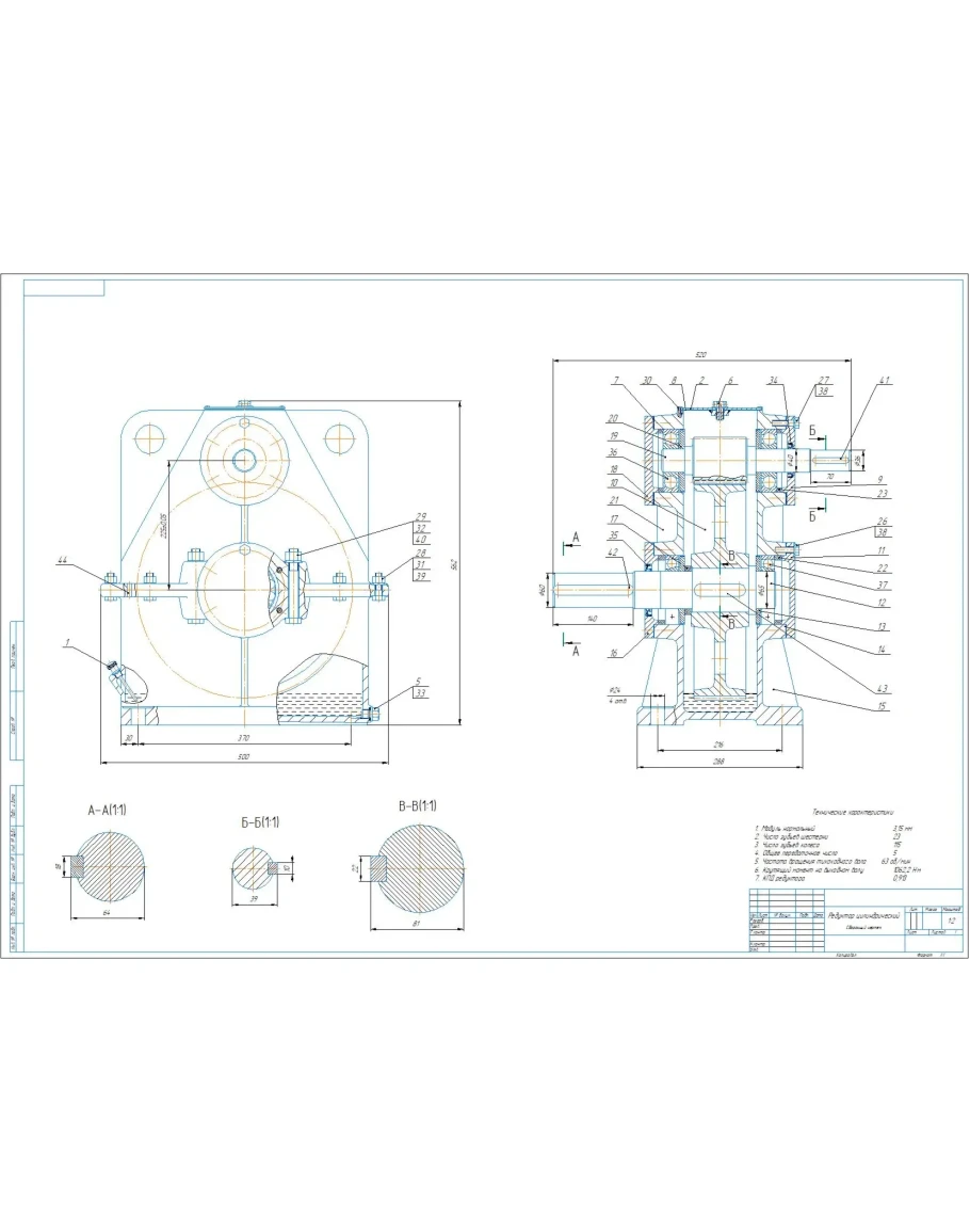
Сборочный чертеж и спецификация редуктора цилиндрического одноступенчатого вертикального с параметрами: модуль m=3,15 мм, передаточное отношение u=5, межосевое расстояние a=225 мм. Чертеж и спецификация выполнены в компасе
Чертеж одноступенчатого вертикального редуктора a225
- Продавец: alexey_ktop
- Модель: 5343542
- Наличие: Есть в наличии
-
281р.







