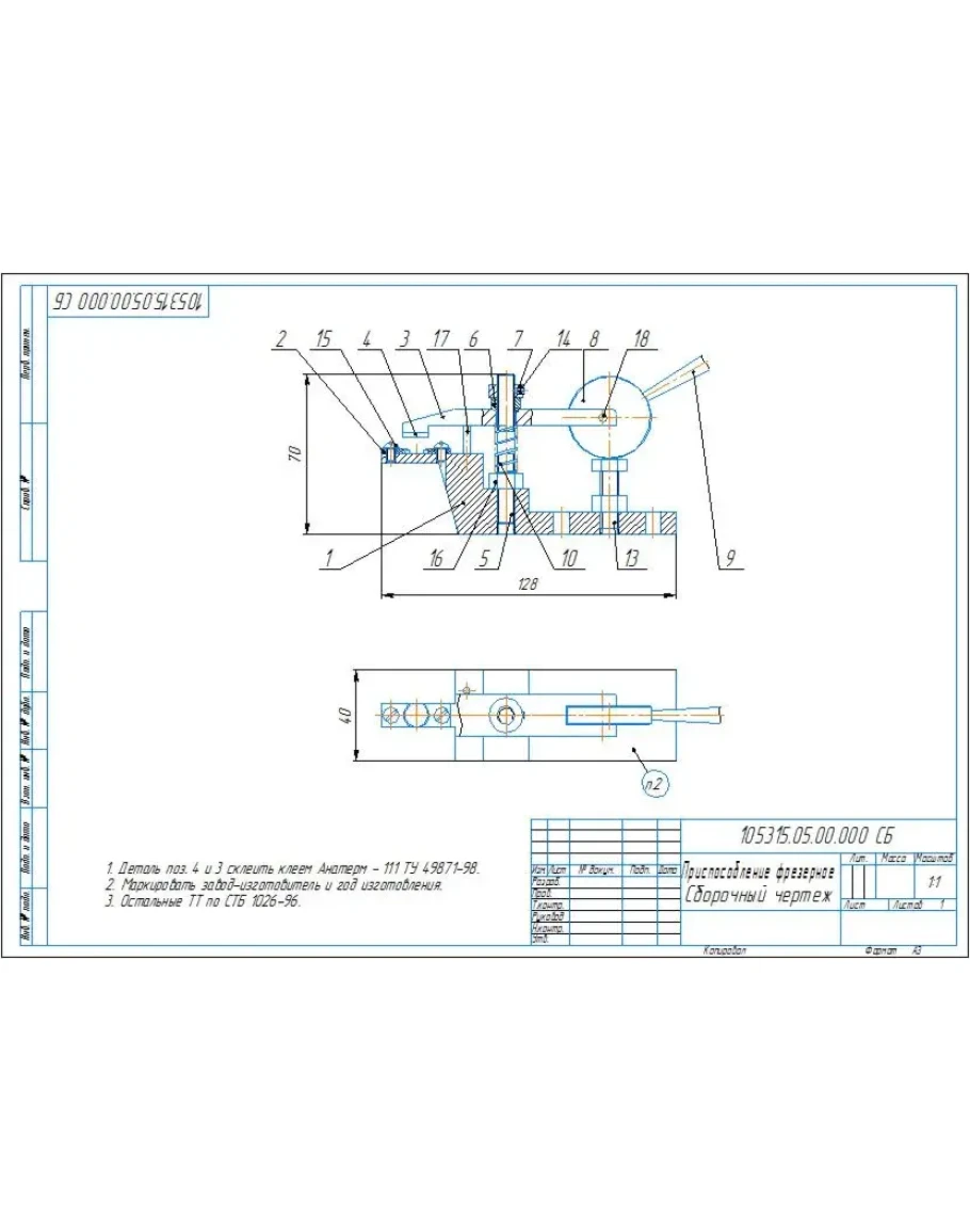
Сборочный чертеж, спецификация, деталировка фрезерного приспособления с эксцентриковым зажимом в компасе.
Чертеж приспособления фрезерного эксцентриковый зажим
- Продавец: alexey_ktop
- Модель: 4654401
- Наличие: Есть в наличии
-
432р.









