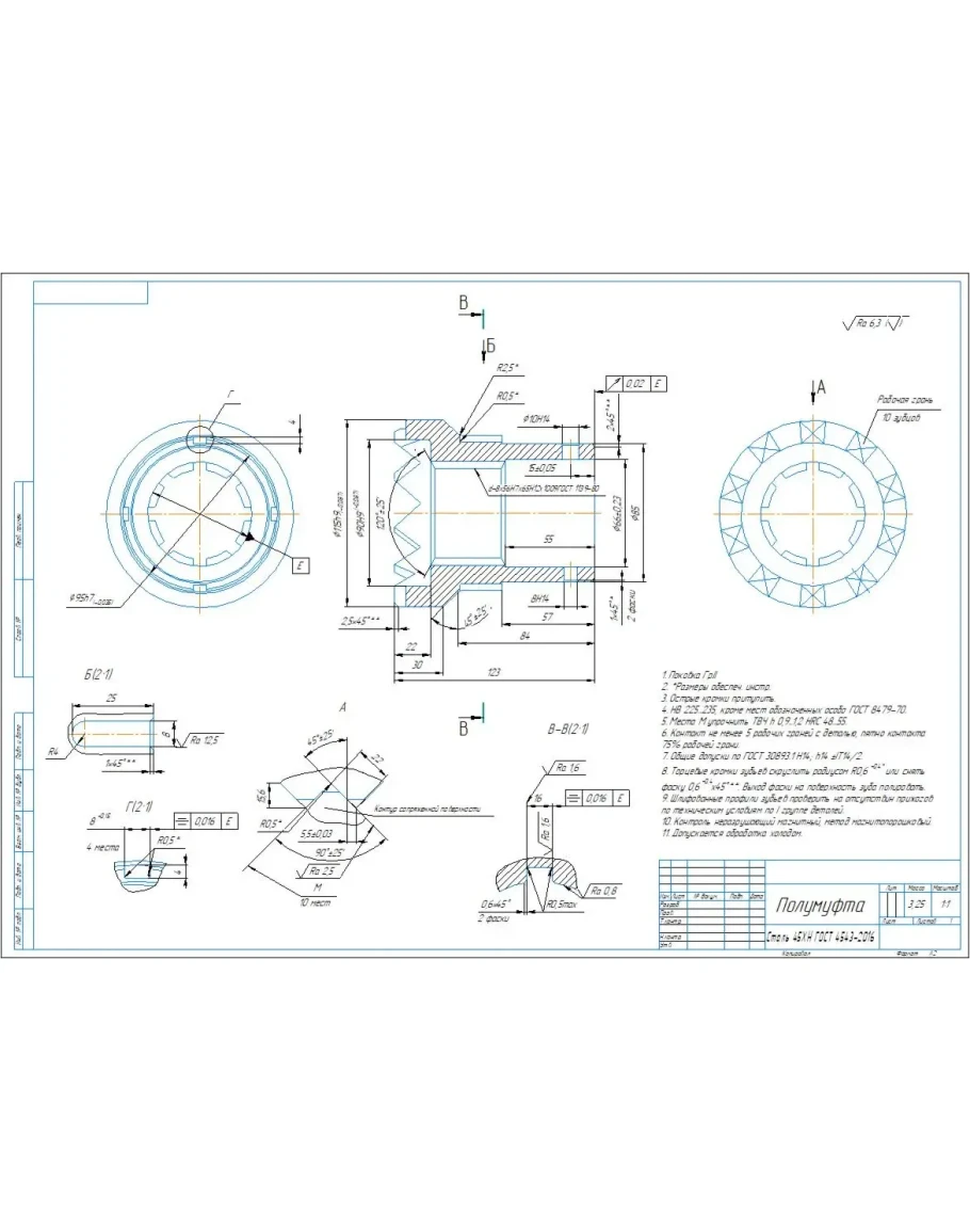
Сборочный чертеж и спецификация приспособления фрезерного для обработки зубьев в детали полумуфта. Приспособление выполнено с пневмоцилиндром. Также приложен рабочий чертеж детали полумуфта. Чертежи и спецификация выполнены в компасе.
Чертеж приспособления фрезерного с пневмоприводом
- Продавец: alexey_ktop
- Модель: 5301656
- Наличие: Есть в наличии
-
311р.







