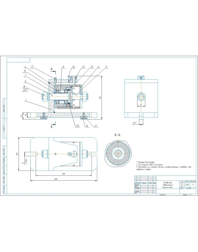
Сборочный чертеж и спецификация приспособления кондуктор сверлильный для сверления периферийных отверстий в трубчатой детали
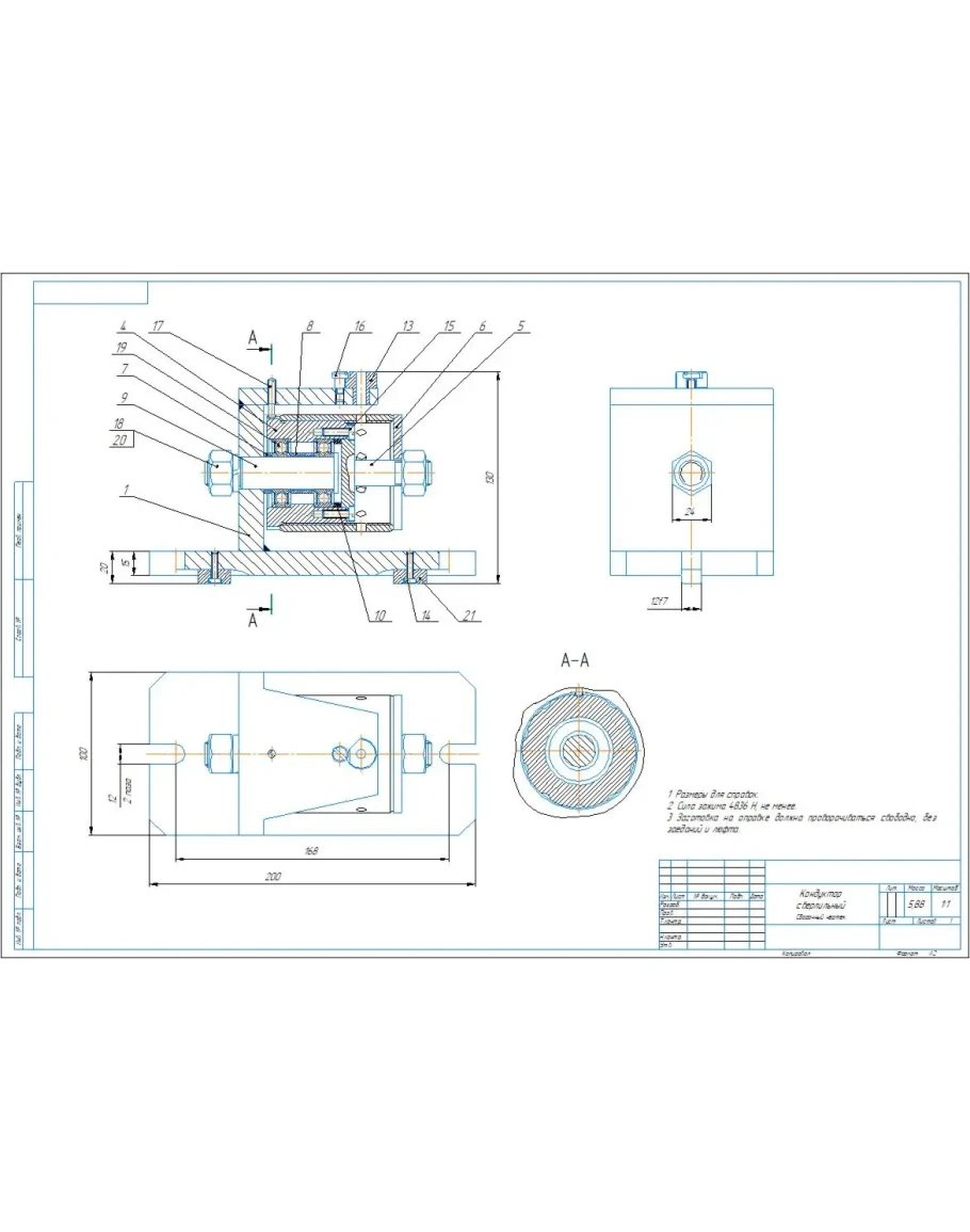
Чертеж приспособления кондуктор сверлильный
- Продавец: alexey_ktop
- Модель: 4638740
- Наличие: Есть в наличии
-
324р.






