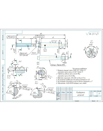
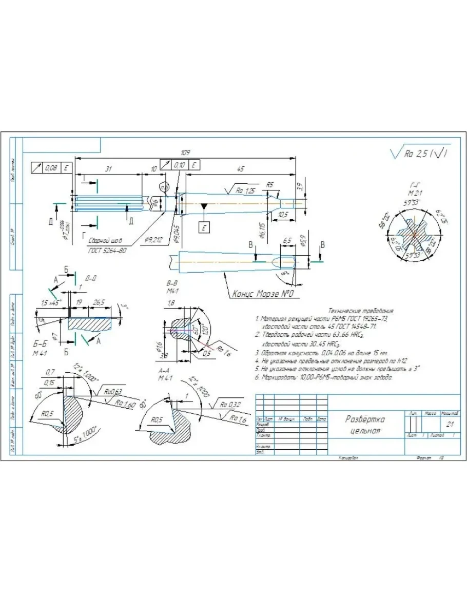
Рабочий чертеж развертки цилиндрической с коническим хвостовиком для обработки отверстий диаметром 7 мм. Чертеж выполнен в компасе
Чертеж развертка с коническим хвостовиком диаметр 7 мм
- Продавец: alexey_ktop
- Модель: 5301706
- Наличие: Есть в наличии
-
160р.




