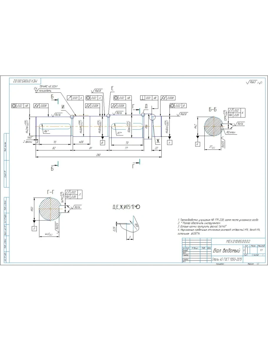
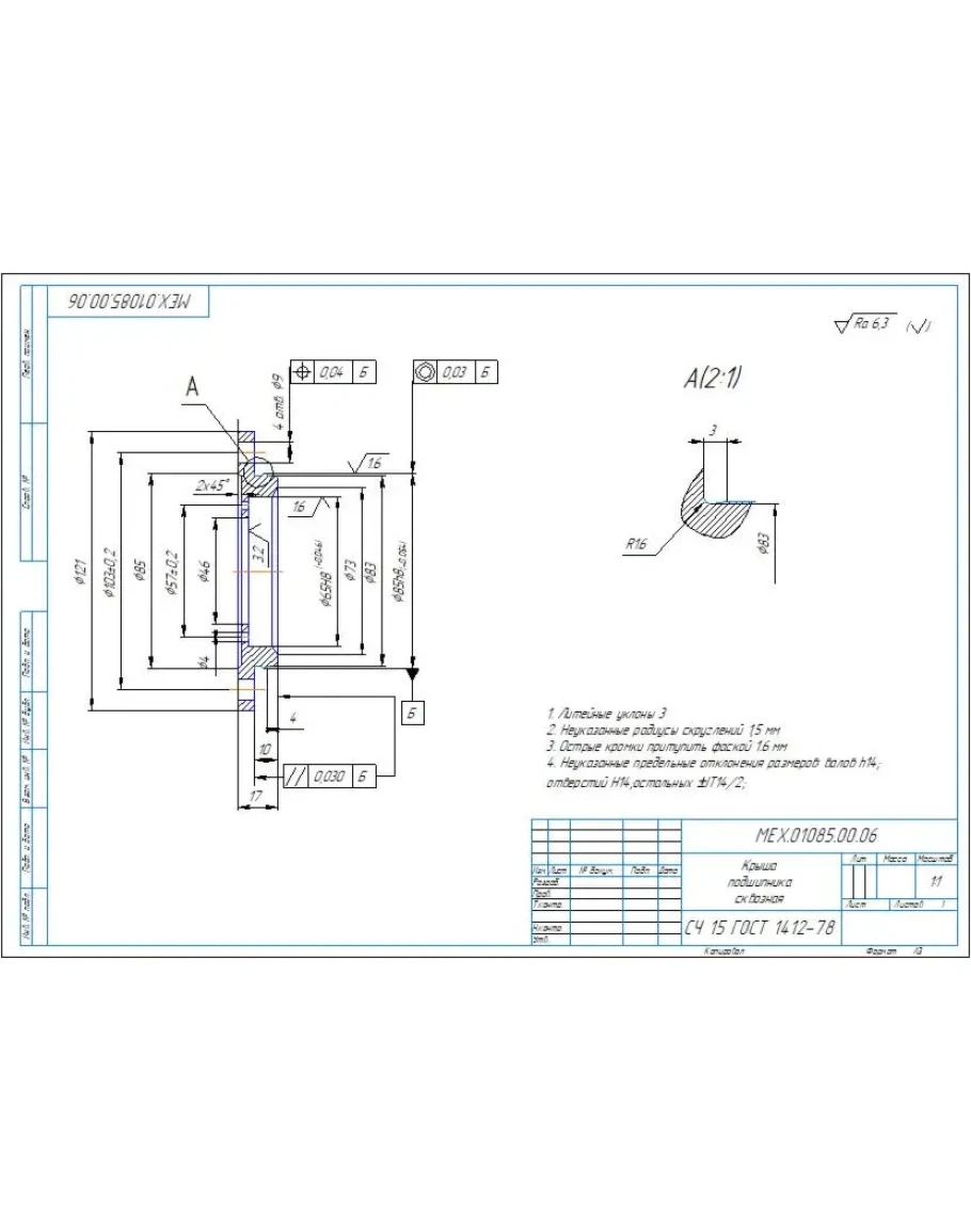
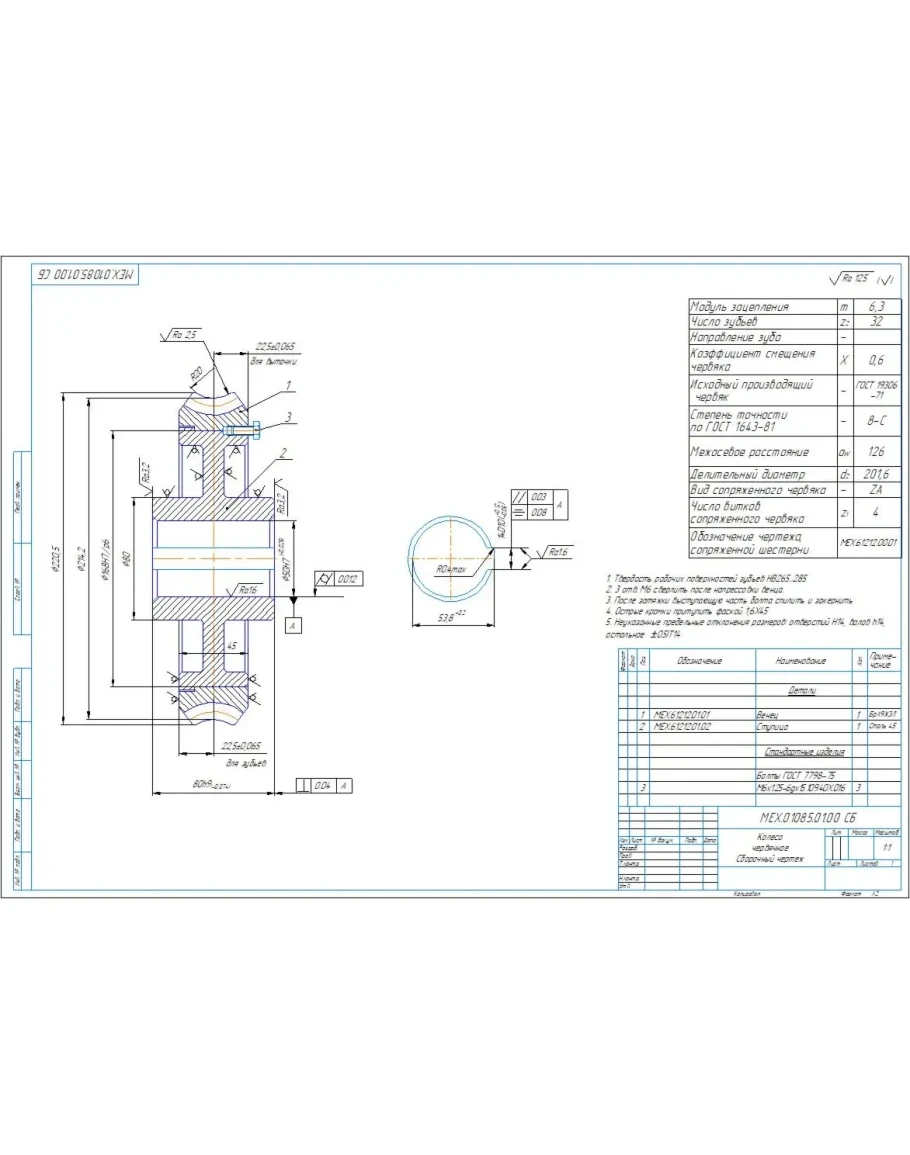
Сборочный чертеж и спецификация на червячный одноступенчатый редуктор с верхним расположением червяка с параметрами: передаточное отношение u=8, число витков червяка z1=4, число зубьев червячного колеса z2=32, модуль зацепления m=6,3 мм. Также приложены деталировочные чертежи: червячное колесо, вал, крышка подшипника. Чертежи и спецификация выполнены в компасе.
Чертеж редуктор червячный, деталировка в компасе
- Продавец: alexey_ktop
- Модель: 5344008
- Наличие: Есть в наличии
-
456р.









