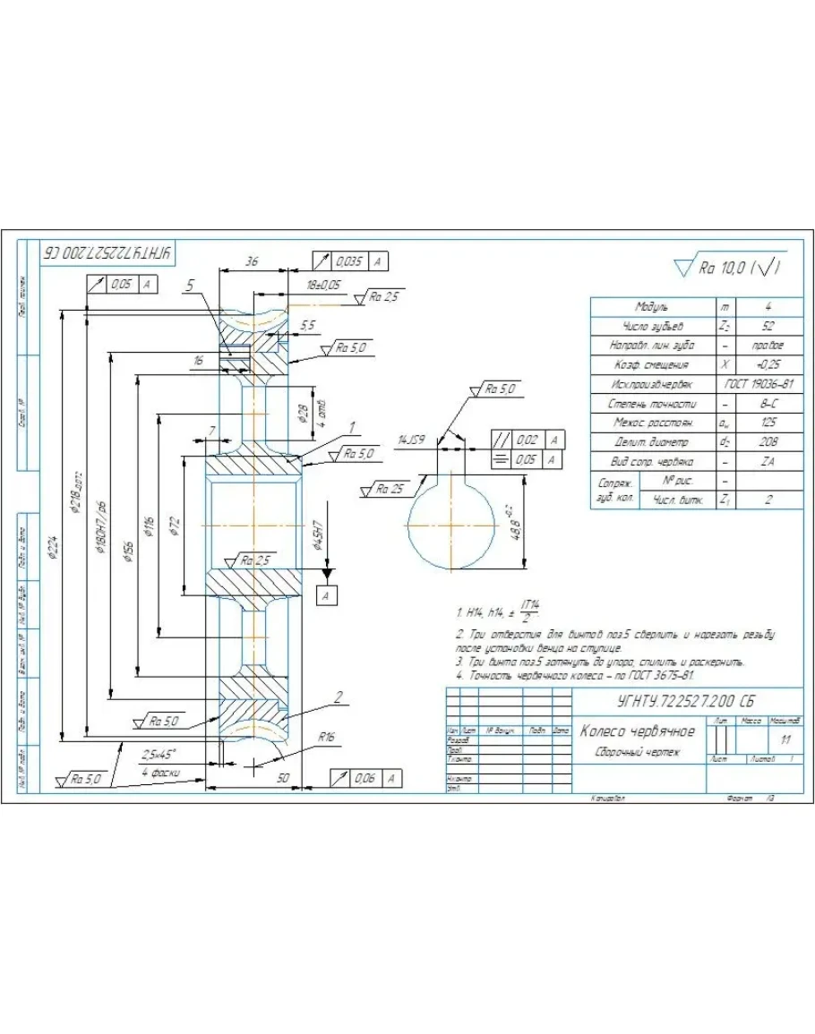
Сборочный чертеж и спецификация червячного редуктора с верхним расположением червяка с передаточным отношением u=26, межосевым расстоянием a=125 мм. Также приложены деталировочные чертежи: червячное колесо со спецификацией, рабочий чертеж червяка. Чертежи и спецификации выполнены в компасе.
Чертеж редуктор червячный с верхним расположением u26
- Продавец: alexey_ktop
- Модель: 5343506
- Наличие: Есть в наличии
-
443р.










