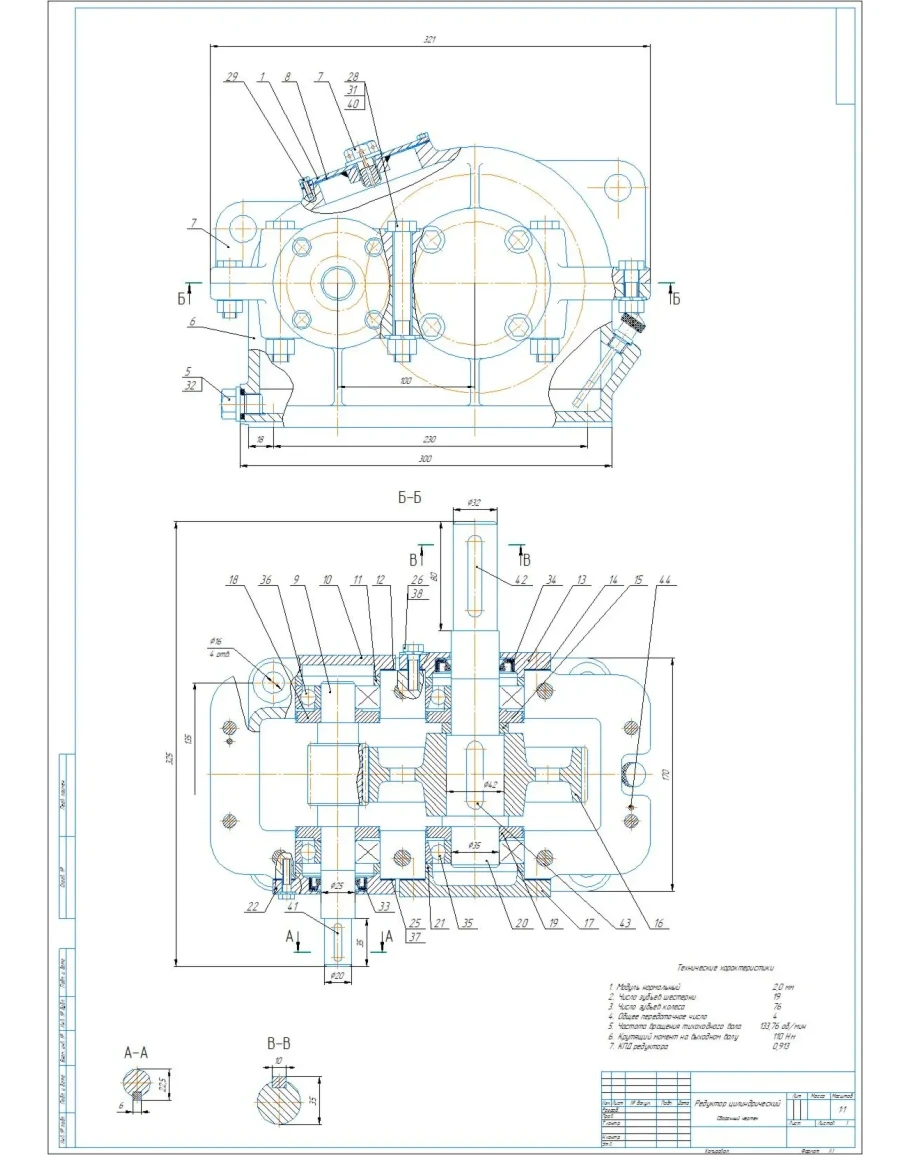
Сборочный чертеж редуктора цилиндрического одноступенчатого с параметрами: модуль m=2 мм, межосевое расстояние a=100 мм, передаточное число u=4. Чертеж выполнен в компасе.
Чертеж редуктор цилиндрический одноступенчатый a100
- Продавец: alexey_ktop
- Модель: 5340105
- Наличие: Есть в наличии
-
177р.




