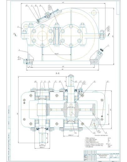
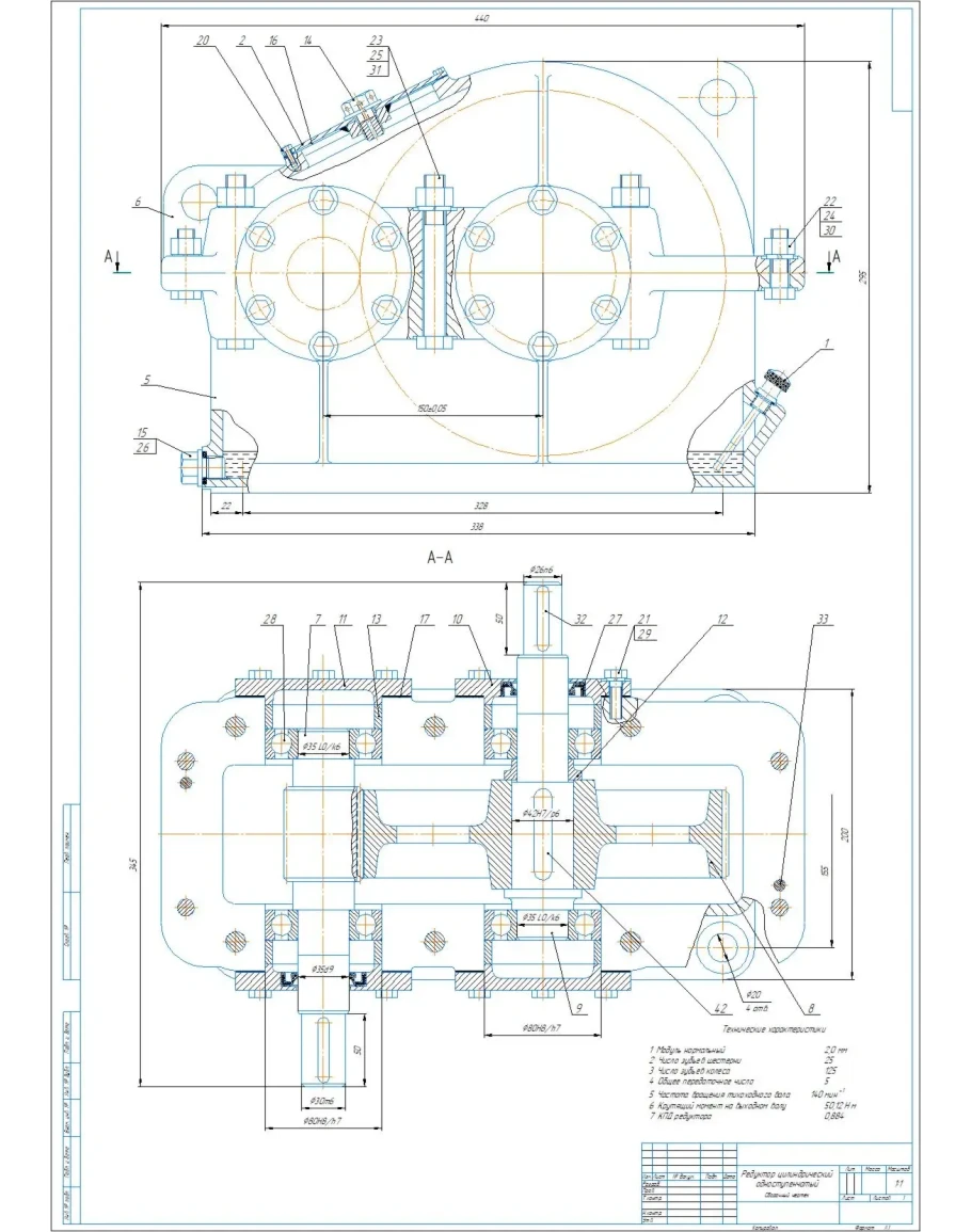
Сборочный чертеж и спецификация редуктора цилиндрического одноступенчатого с параметрами: модуль m=2 мм, межосевое расстояние a=150 мм, передаточное отношение u=5. Чертеж и спецификация выполнены в компасе.
Чертеж редуктор цилиндрический одноступенчатый a150
- Продавец: alexey_ktop
- Модель: 5343522
- Наличие: Есть в наличии
-
266р.






