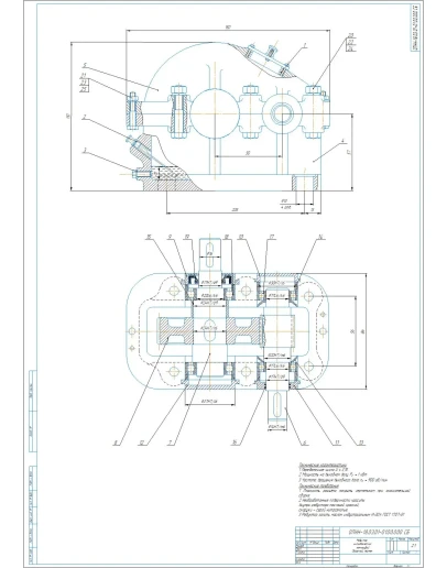
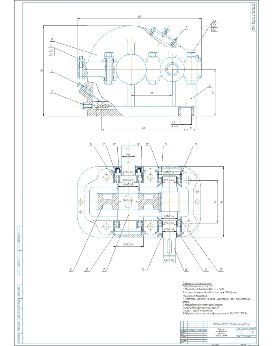
Сборочный чертеж редуктора цилиндрического одноступенчатого горизонтального с параметрами: межосевое расстояние a=50 мм, модуль m=1 мм, передаточное отношение u=3,15. Чертеж выполнен в компасе.
Чертеж редуктор цилиндрический одноступенчатый a50
- Продавец: alexey_ktop
- Модель: 5344038
- Наличие: Есть в наличии
-
182р.




