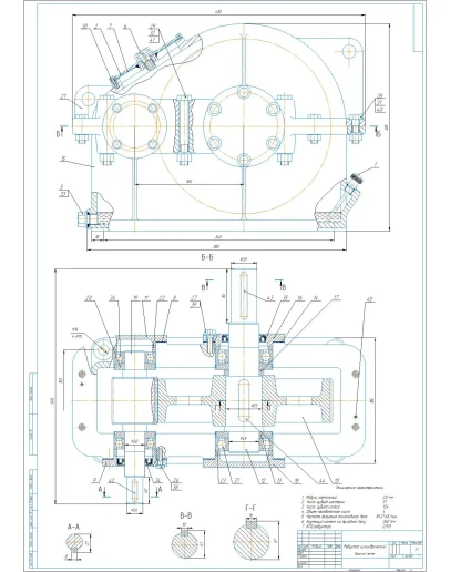
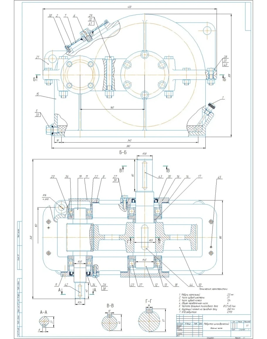
Сборочный чертеж и спецификация редуктора цилиндрического одноступенчатого с параметрами: модуль m=2 мм, межосевое расстояние a=160 мм, передаточное число u=4. Чертеж и спецификация выполнены в компасе.
Чертеж редуктор цилиндрический одноступенчатый в компас
- Продавец: alexey_ktop
- Модель: 5340155
- Наличие: Есть в наличии
-
259р.







