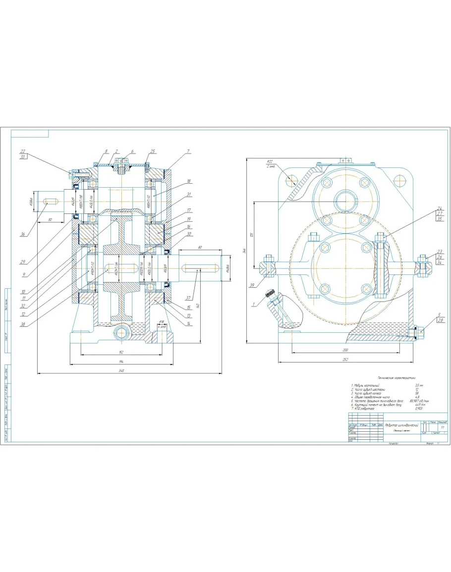
Сборочный чертеж и спецификация редуктора цилиндрического вертикального, модуль m=3,5 мм, межосевое расстояние 125 мм, передаточное число u=4,8. Чертеж и спецификация выполнены в компасе.

Написать отзыв

Примечание: HTML разметка не поддерживается! Используйте обычный текст.
   Плохо           Хорошо

Чертеж редуктор цилиндрический вертикальный a125

  • Продавец: alexey_ktop
  • Модель: 5339995
  • Наличие: Есть в наличии
  • 259р.

Рекомендуемые