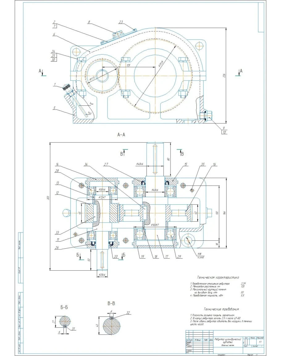
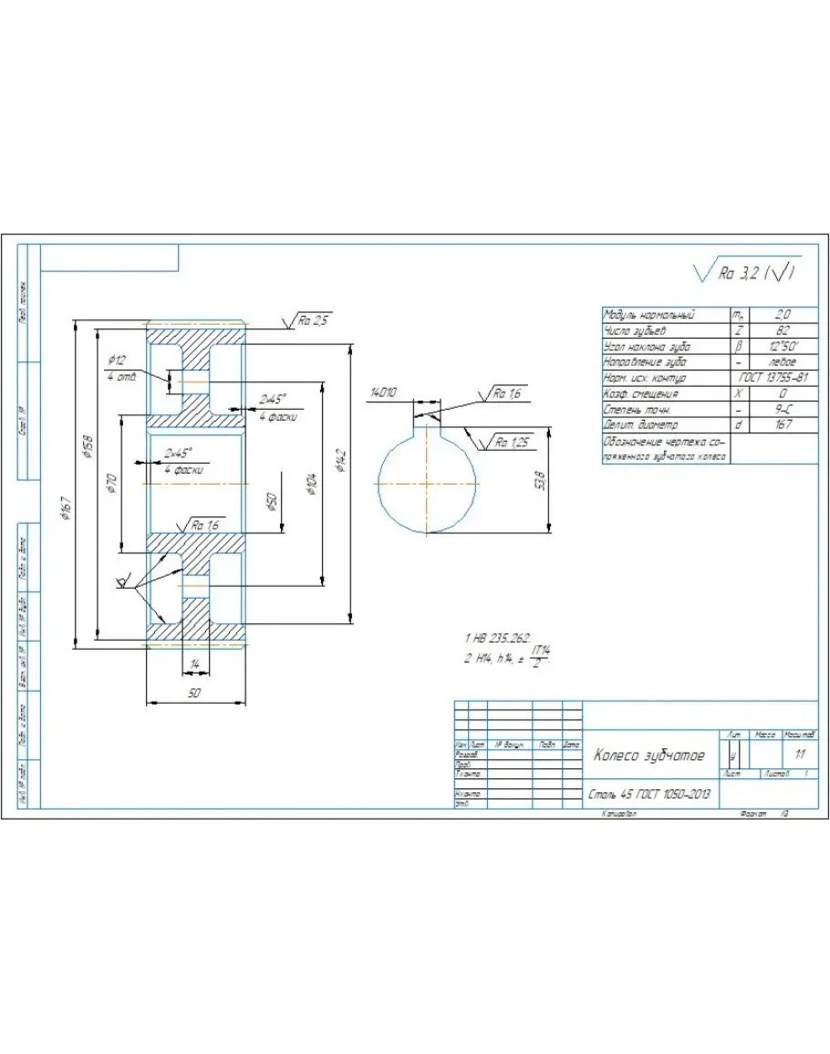
Сборочный чертеж и спецификация на редуктор цилиндрический зубчатый одноступенчатый горизонтальный с параметрами: межосевое расстояние 125 мм, модуль зацепления 2 мм, передаточное отношение 2,29. Также приложен рабочий чертеж детали колесо зубчатое. Чертежи и спецификация выполнены в программе Компас 3D

Написать отзыв

Примечание: HTML разметка не поддерживается! Используйте обычный текст.
   Плохо           Хорошо

Чертеж редуктор зубчатый цилиндрический a125 m2 мм

  • Продавец: alexey_ktop
  • Модель: 5345308
  • Наличие: Есть в наличии
  • 266р.

Рекомендуемые