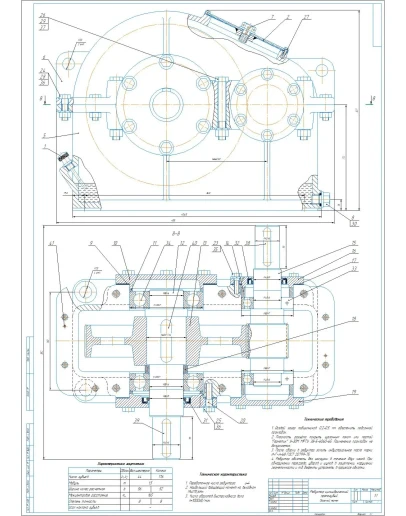
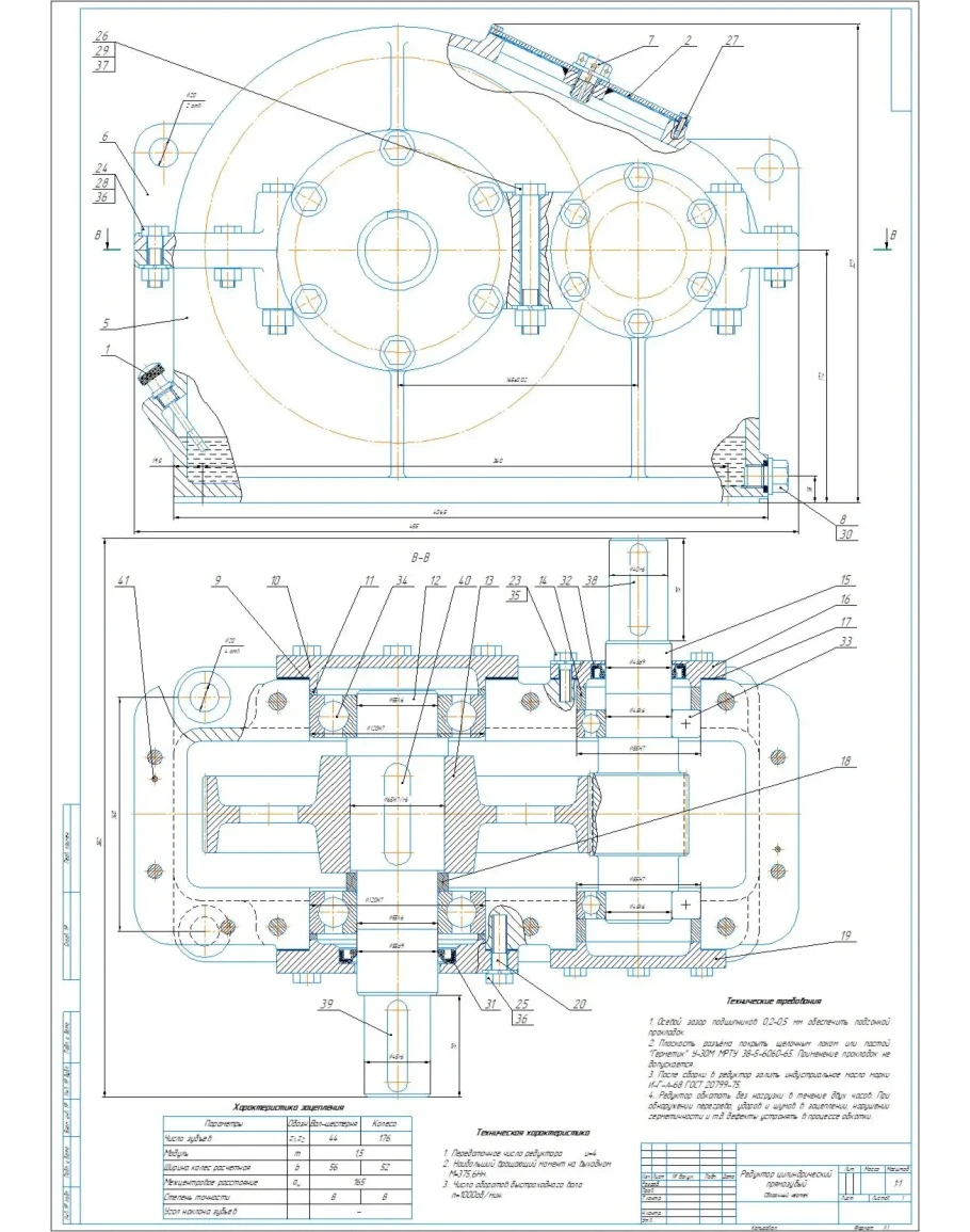
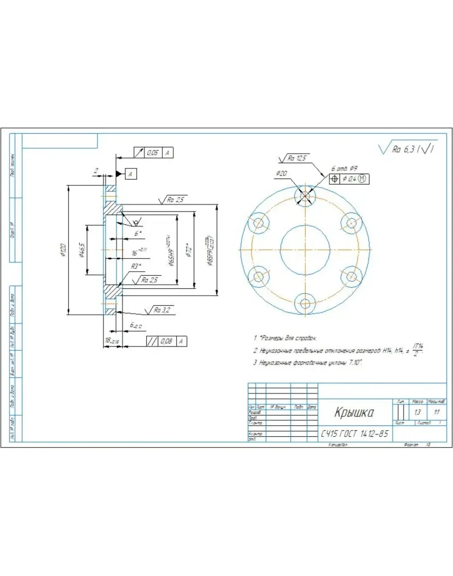
Сборочный чертеж и спецификация на редуктор зубчатый цилиндрический одноступенчатый горизонтальный с параметрами: межосевое расстояние 165 мм, модуль зацепления 1,5 мм, передаточное отношение 4. Также приложены деталировочные чертежи: вал тихоходный, вал-шестерня, колесо зубчатое, крышка подшипника сквозная. Чертежи выполнены в Компас 3D
Чертеж редуктор зубчатый цилиндрический одноступенчатый
- Продавец: alexey_ktop
- Модель: 5345319
- Наличие: Есть в наличии
-
456р.











