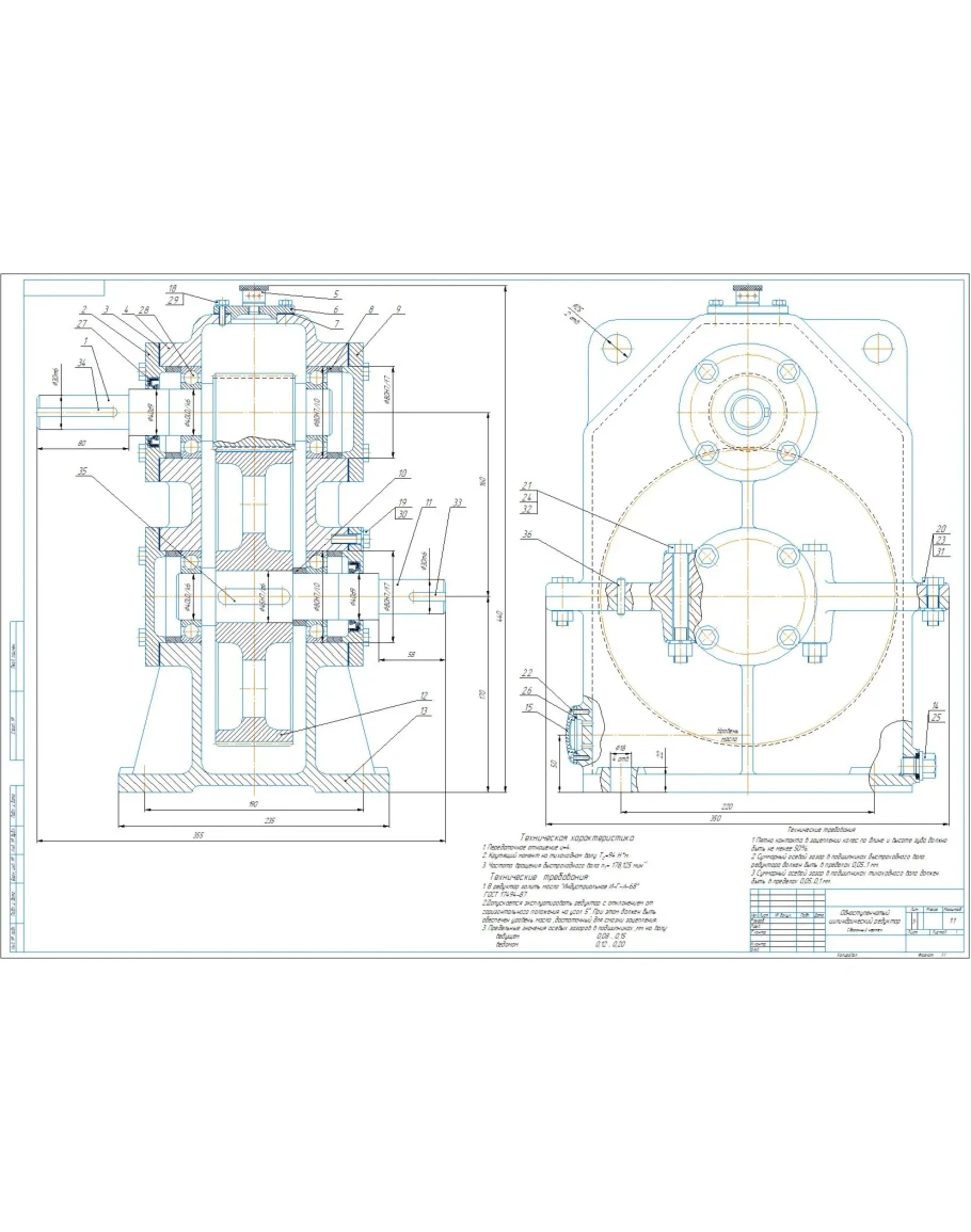
Сборочный чертеж и спецификация редуктора цилиндрического одноступенчатого вертикального с параметрами: модуль m=2 мм, передаточное отношение u=4, межосевое расстояние a=160 мм. Чертеж и спецификация выполнены в компасе
Чертеж редуктора одноступенчатого вертикального a160
- Продавец: alexey_ktop
- Модель: 5345659
- Наличие: Есть в наличии
-
273р.







