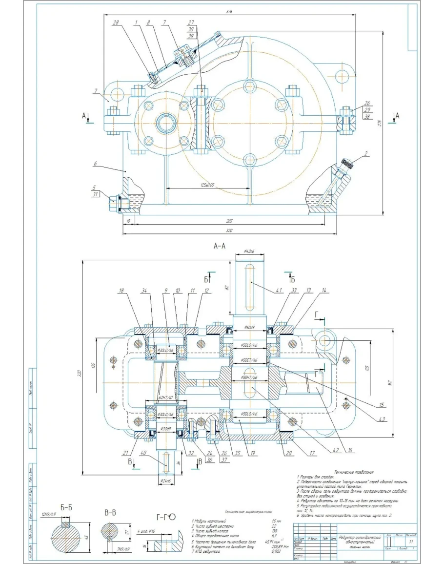
Сборочный чертеж и спецификация редуктора цилиндрического одноступенчатого с параметрами: межосевое расстояние: a=125, модуль m=1,5 мм, передаточное отношение u=6,3. Чертеж и спецификация выполнены в компасе
Чертеж редуктора цилиндрического одноступенчатого a125
- Продавец: alexey_ktop
- Модель: 5344046
- Наличие: Есть в наличии
-
273р.







