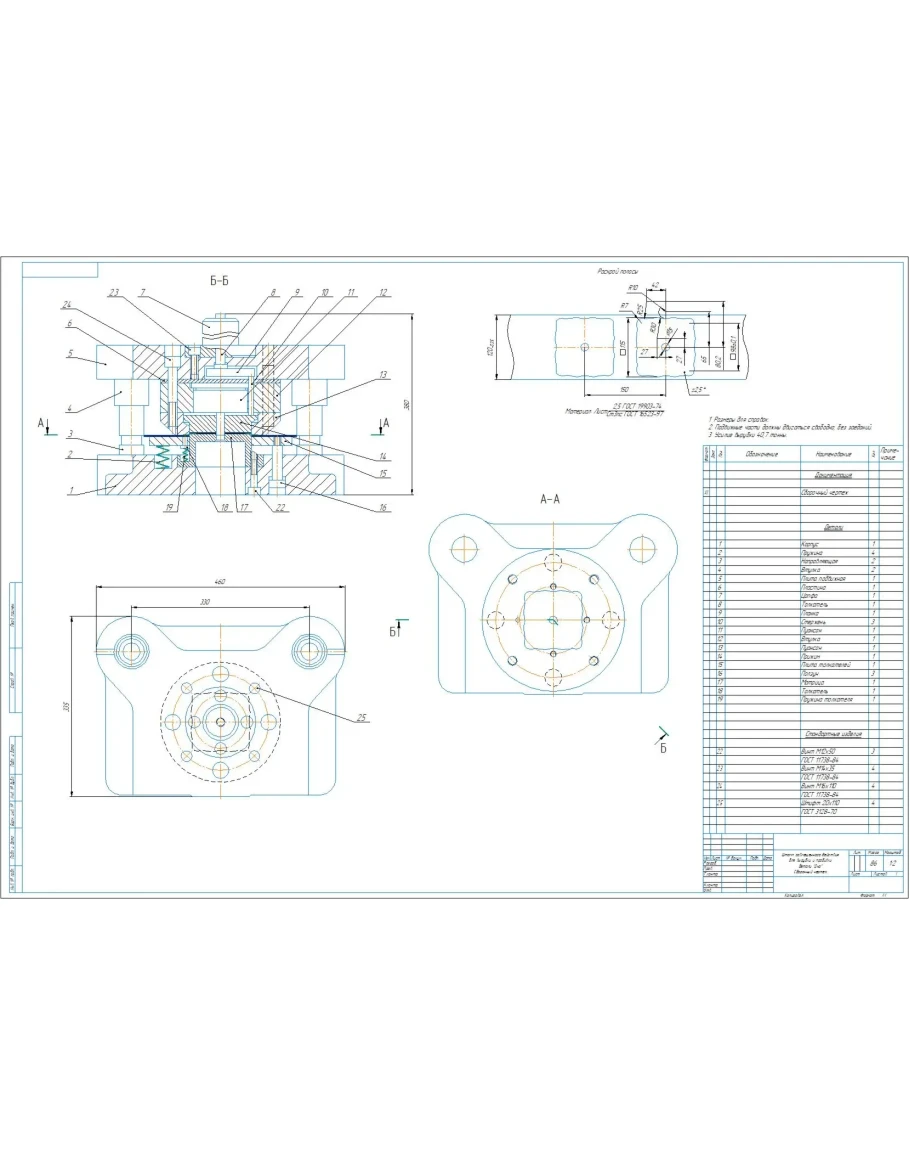
Сборочный чертеж со спецификацией штампа совмещенного действия для вырубки и пробивки детали. Чертеж выполнен в программе компас
Чертеж штамп совмещенного действия вырубки-пробивки
- Продавец: alexey_ktop
- Модель: 5293691
- Наличие: Есть в наличии
-
328р.




