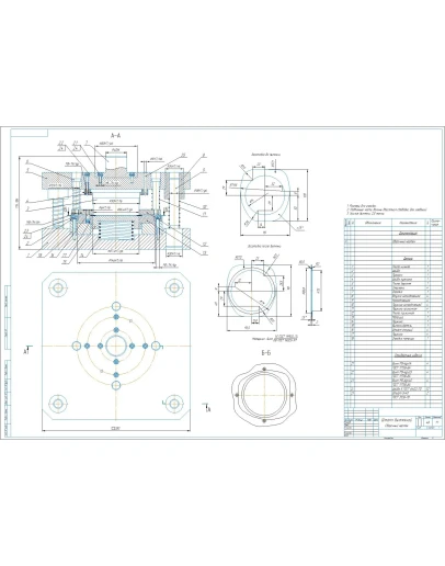
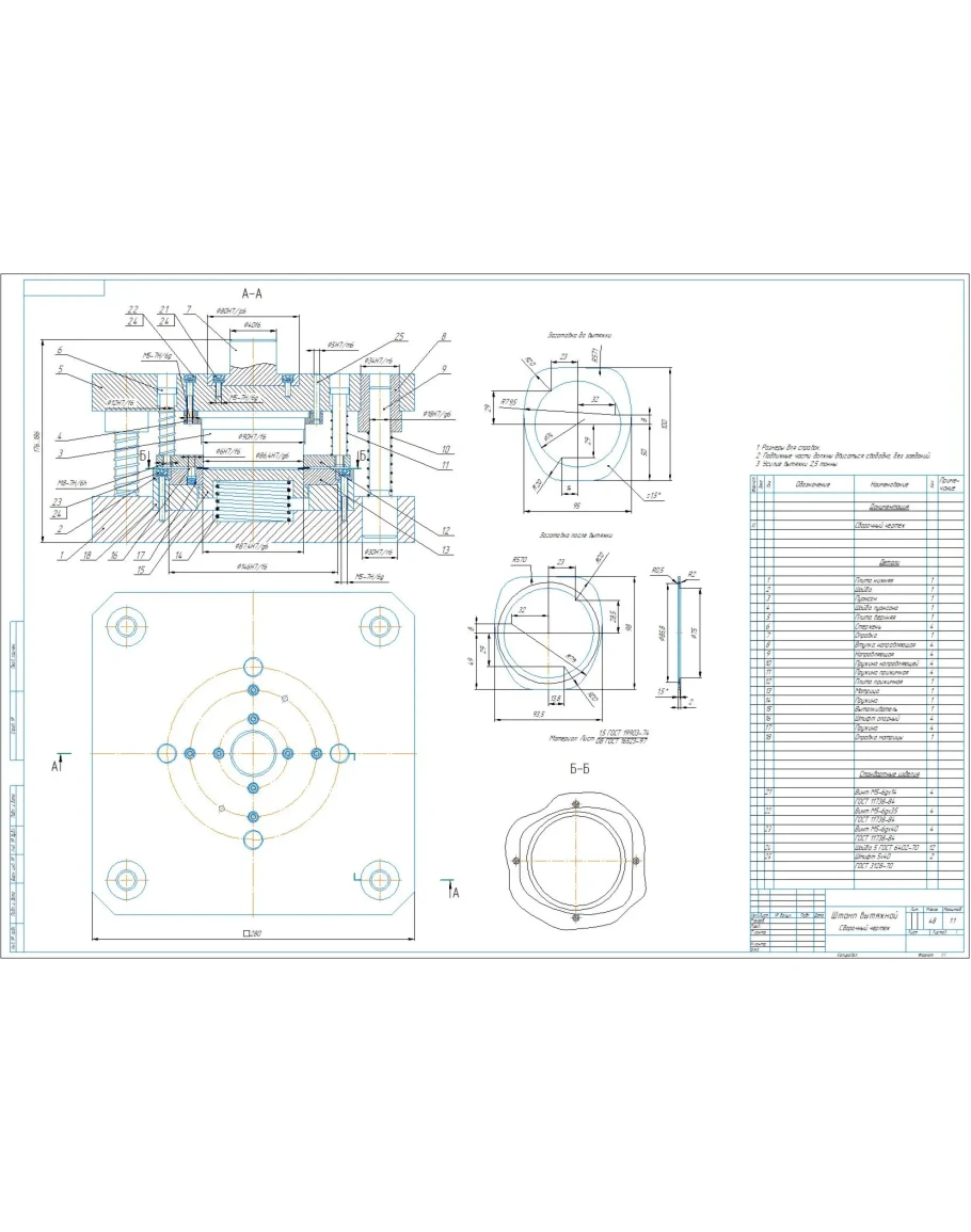
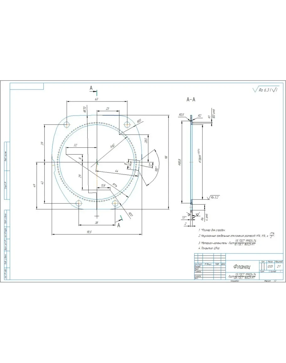
Сборочный чертеж и спецификация на штамп вытяжной для вытяжки детали фланец. Спецификация размещена на сборочном чертеже. Также приложен рабочий чертеж детали фланец. Чертежи выполнены в компасе.
Чертеж штамп вытяжной для детали фланец в компасе
- Продавец: alexey_ktop
- Модель: 5301607
- Наличие: Есть в наличии
-
311р.





