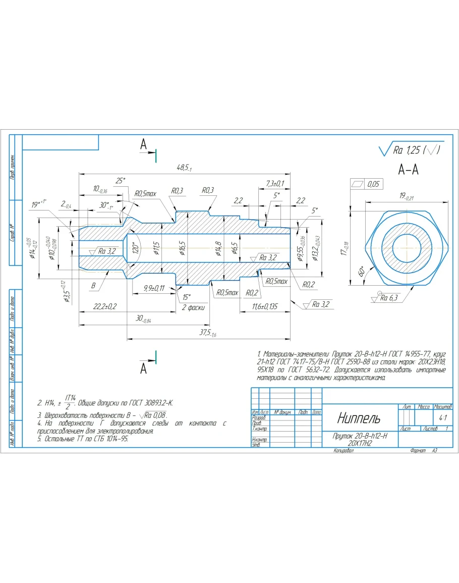
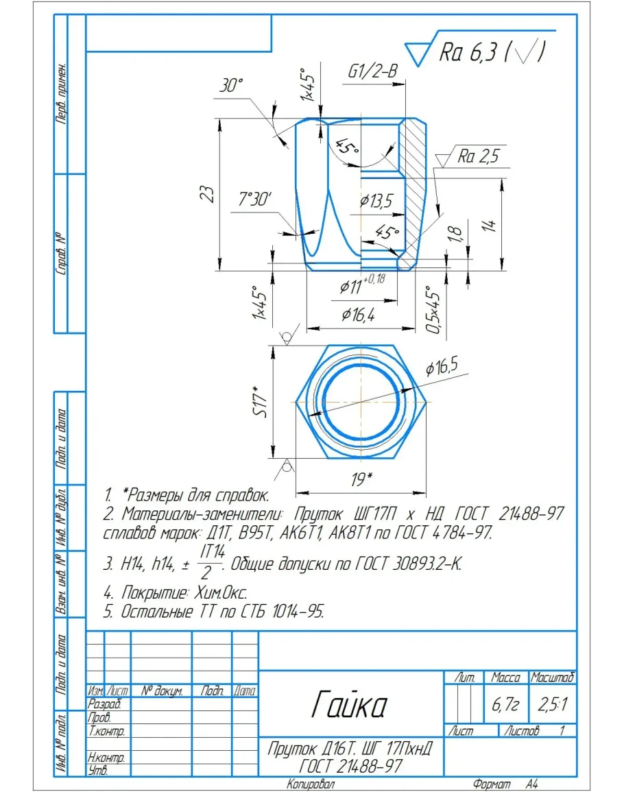
Сборочный чертеж, спецификация, а также рабочие чертежи некоторых деталей штекера для газообразных сред. Выполнено в Компас версии 20.
Чертеж штекера для газообразных сред
- Продавец: alexey_ktop
- Модель: 3978399
- Наличие: Есть в наличии
-
331р.











