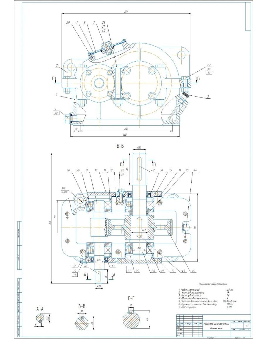
Сборочный чертеж и спецификация на редуктор цилиндрический одноступенчатый горизонтальный с параметрами: межосевое расстояние a=100 мм, модуль m=2 мм, передаточное отношение u=4. Чертеж и спецификация выполнены в компасе.
Чертеж цилиндрический одноступенчатый редуктор a100
- Продавец: alexey_ktop
- Модель: 5344030
- Наличие: Есть в наличии
-
273р.







