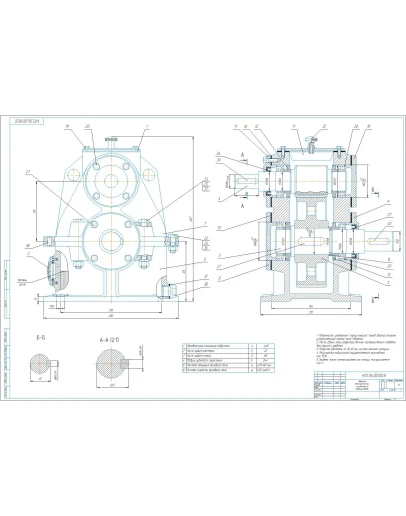
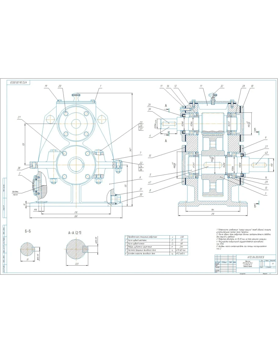
Сборочный чертеж редуктора цилиндрического одноступенчатого вертикального с параметрами: модуль m=2 мм, межосевое расстояние a=125 мм, передаточное отношение u=3,05. Чертеж выполнен в компасе.
Чертеж цилиндрический одноступенчатый редуктор a125
- Продавец: alexey_ktop
- Модель: 5345635
- Наличие: Есть в наличии
-
177р.




