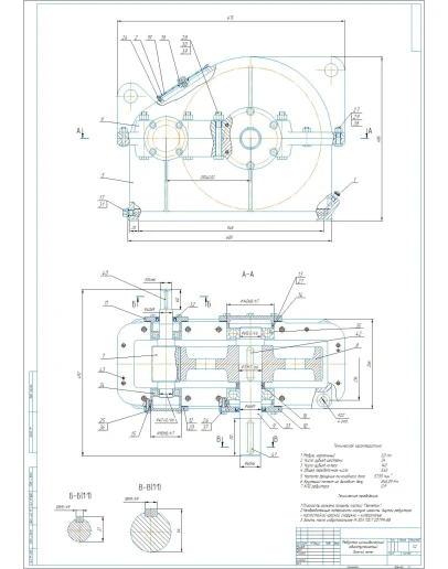
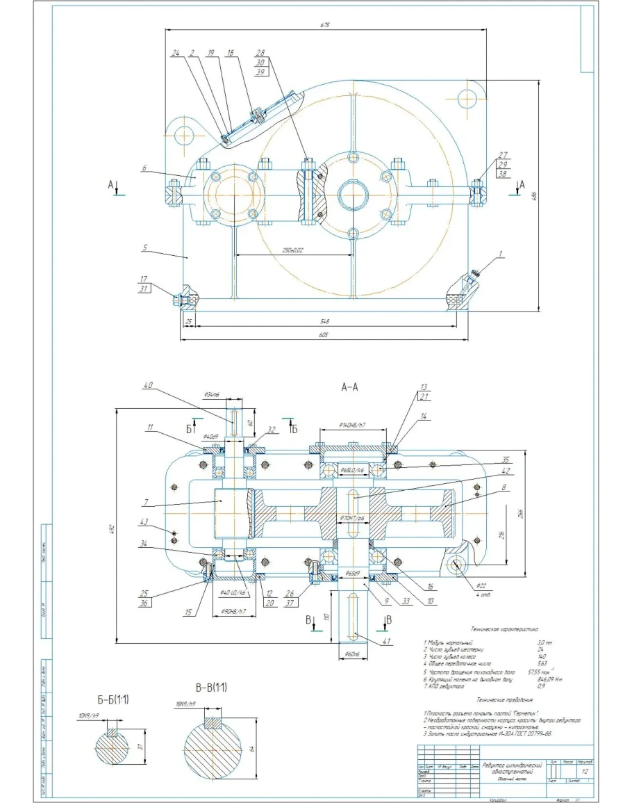
Сборочный чертеж и спецификация редуктора цилиндрического одноступенчатого с параметрами: межосевое расстояние: a=250 мм, модуль m=3 мм, передаточное отношение u=5,63. Чертеж и спецификация выполнены в компасе
Чертеж цилиндрического одноступенчатого редуктора a250
- Продавец: alexey_ktop
- Модель: 5345616
- Наличие: Есть в наличии
-
273р.







